EasyManua.ls Logo

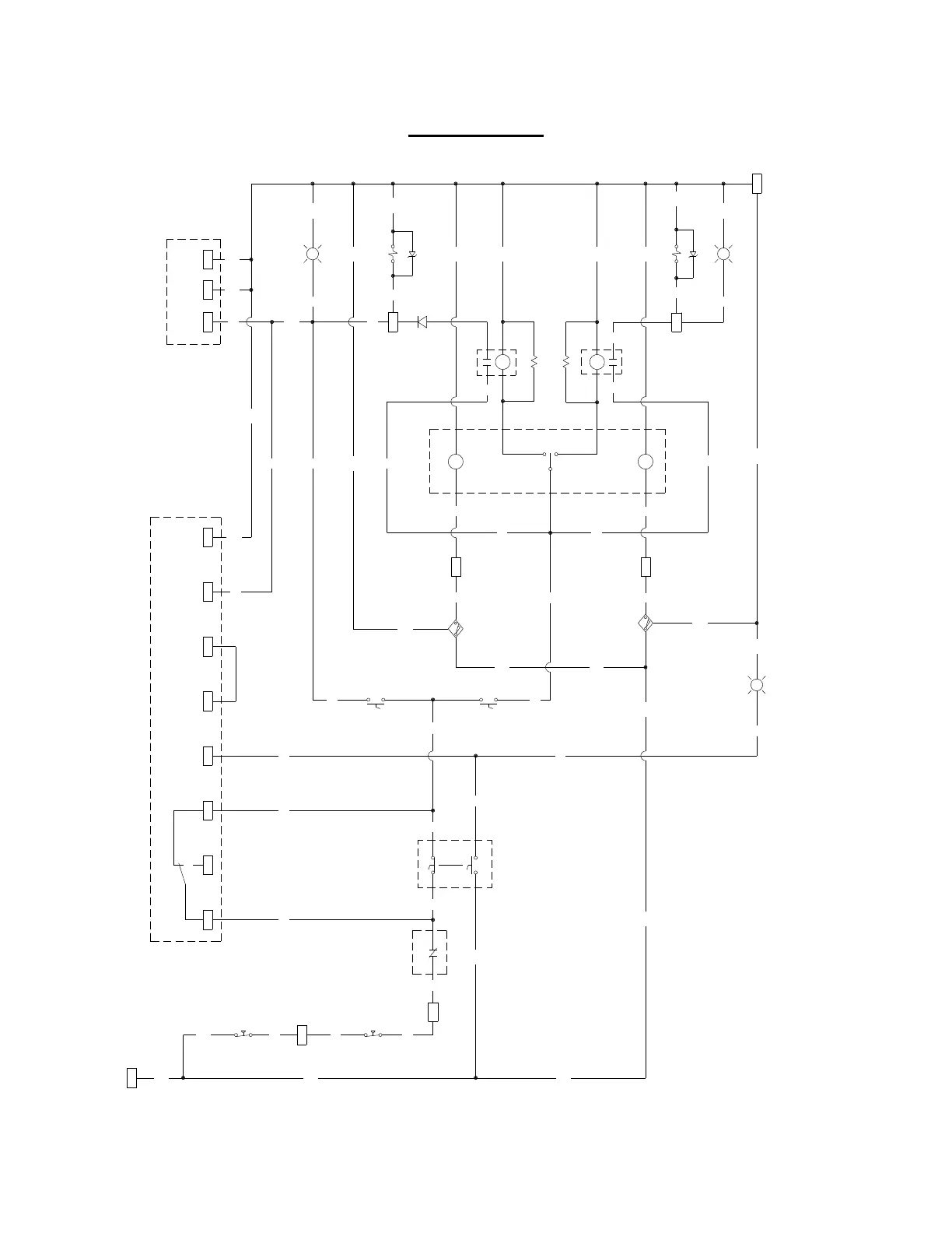
PMC PH - Pump Circuit Ladder Diagram (400 VAC)

PMC PH
58 pages
Print Icon
To Next Page IconTo Next Page
To Next Page IconTo Next Page
To Previous Page IconTo Previous Page
To Previous Page IconTo Previous Page
Loading...
400 VAC
54
Pump Circuit
14
1
5
10
912
RESET COIL
1314
SET COIL
62
RETRACT PROX
61
67
NORMAL
W
NORMAL SOLENOID
58
RETRACT SOLENOID
107
200
4 156 2
55
X2X1
RETRACT
W
1112
CONTACT
56
2 4 6
LOCK
GND
INP B
GND
24VDC
INP B
RESET
GND
COUNTER
TOTALIZER
R1
SSR4
SSR5
4
3
PUMP RETRACT
3
4
PUMP NORMAL
2 1
NORMAL PROX
X2X1
CYCLE COUNTER
G
4 3
CYCLE
COUNTER
SWITCH**
107
107
107
107
107
107 107
200
200
200
200
200
200
200
200
200
200
200
200
200
107
555556
56
58
58
58
58
58
58
68
68
68
61
62 62
61
59
59
5959
59
59
59
59
67
67
67
1311 12
58
58
200
200
68
57
56
56 57 57
107
200 200
58
1 CR*
A PRESSURE
SWITCH
R PRESSURE
SWITCH
200
*See Pressure Balance Control Circuit (Pg. 55) for complete 1 CR wire connections
**When the cycle counter switch is turned “ON”, the NC switch opens and the NO switch closes simultaneously

Related product manuals