EasyManua.ls Logo

poclain hydraulics MK08 - Page 94

Default Icon
100 pages
Print Icon
To Next Page IconTo Next Page
To Next Page IconTo Next Page
To Previous Page IconTo Previous Page
To Previous Page IconTo Previous Page
Loading...
POCLAIN HYDRAULICS
94 DOC-REPAIR-MK05-MKE18-FR-EN 800078181E
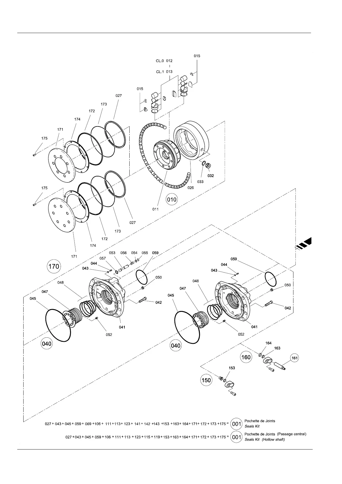
MOTEUR HYDRAULIQUE MK11
MK11 HYDRAULIC MOTOR

Table of Contents

Related product manuals