EasyManua.ls Logo

PONSSE H73 - Hydraulics: Lubrication Pump

PONSSE H73
43 pages
Print Icon
To Next Page IconTo Next Page
To Next Page IconTo Next Page
To Previous Page IconTo Previous Page
To Previous Page IconTo Previous Page
Loading...
Service training
000
29022000
6.6
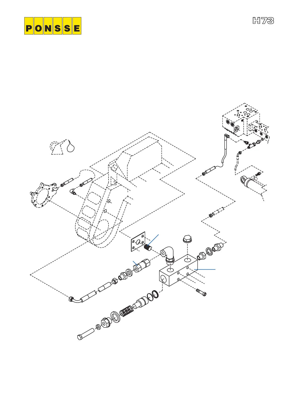
Lubrication pump
Check valve
Screen +
check valve
Lubrication
oil pump