EasyManua.ls Logo

PONSSE H73 - Opti Oil Control

PONSSE H73
43 pages
Print Icon
To Next Page IconTo Next Page
To Next Page IconTo Next Page
To Previous Page IconTo Previous Page
To Previous Page IconTo Previous Page
Loading...
Service training
000
29022000
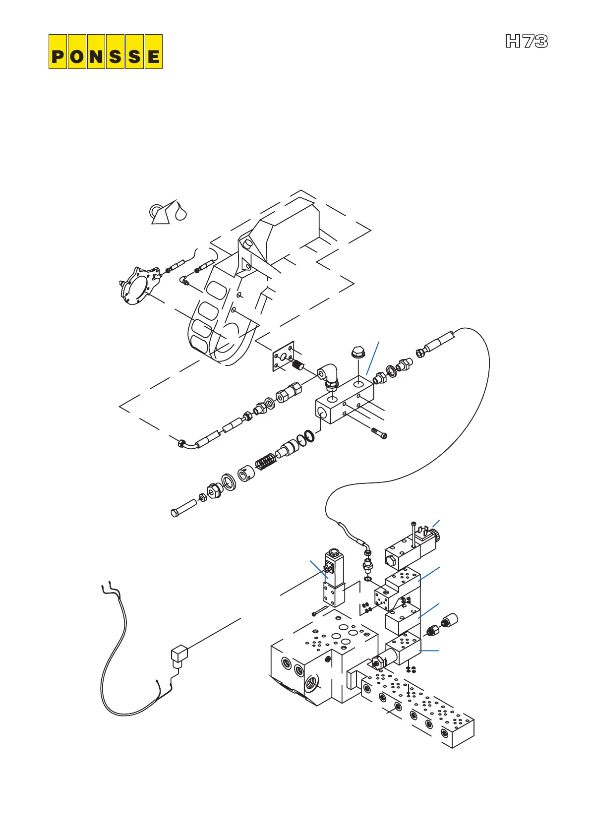
6.7
Lubrication
pump
Directional valve
T-line
check valve
Adapter block
Pressure reducer
Lubrication
pump valve
From measuring
device
Lubrication pump
Opti oil control