EasyManua.ls Logo

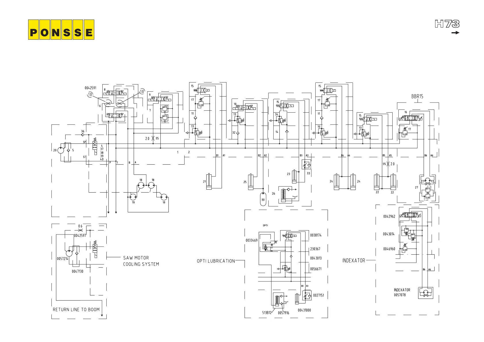
PONSSE H73 - Hydraulic Diagram: 1-Power, F12-30

PONSSE H73
43 pages
Print Icon
To Next Page IconTo Next Page
To Next Page IconTo Next Page
To Previous Page IconTo Previous Page
To Previous Page IconTo Previous Page
Loading...
Service training
000
20032000
6.11
H73211
Saw Feed (fast) Feed (slow) Rear knives Feed rollers
pressing
Saw feed Front knives Tilting Rotator
Saw feed
Hydraulic diagram
1-power, F12-30