EasyManua.ls Logo

POOLEX Silverline MINI - Appendices; Wiring Diagrams

POOLEX Silverline MINI
36 pages
Print Icon
To Next Page IconTo Next Page
To Next Page IconTo Next Page
To Previous Page IconTo Previous Page
To Previous Page IconTo Previous Page
Loading...
34
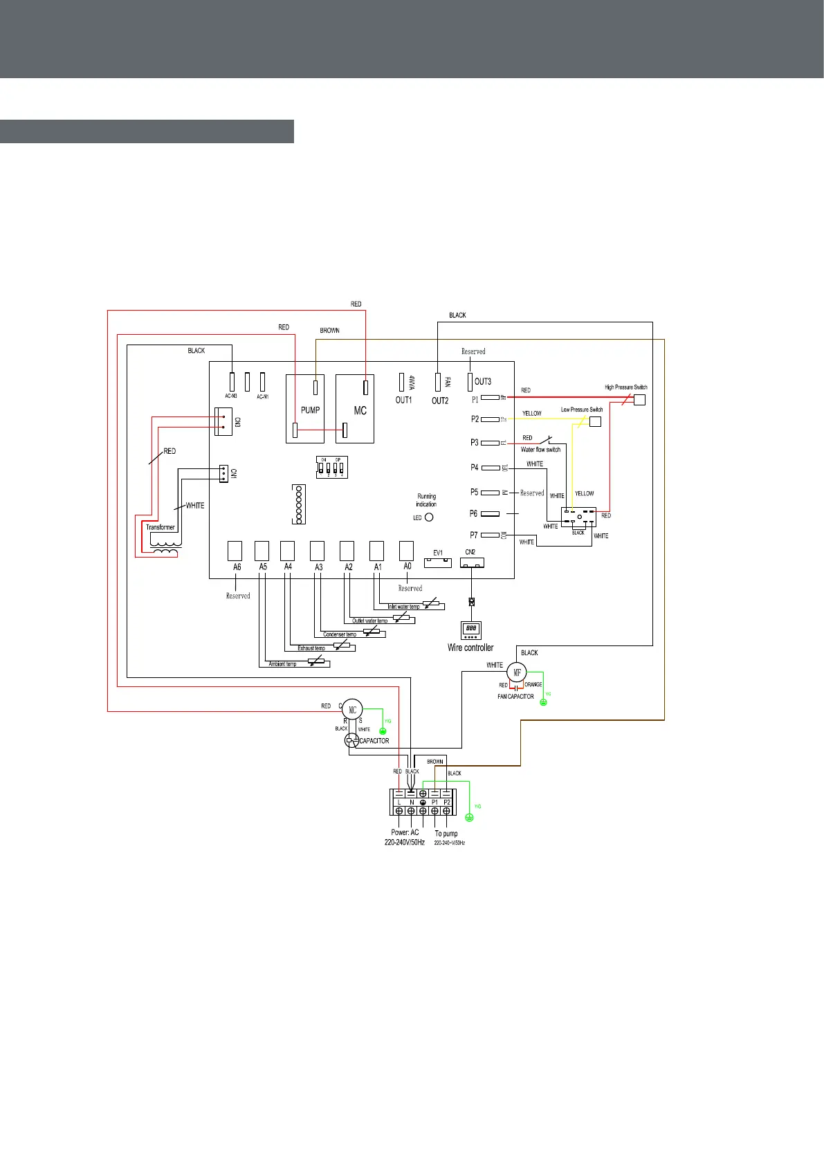
10.1 Wiring diagrams
10. Appendices 10. Appendices
Poolex Silverline MINI / 55 / 70 / 90

Related product manuals