EasyManua.ls Logo

Potterton Paramount three 80 - Page 25

Potterton Paramount three 80
140 pages
Print Icon
To Next Page IconTo Next Page
To Next Page IconTo Next Page
To Previous Page IconTo Previous Page
To Previous Page IconTo Previous Page
Loading...
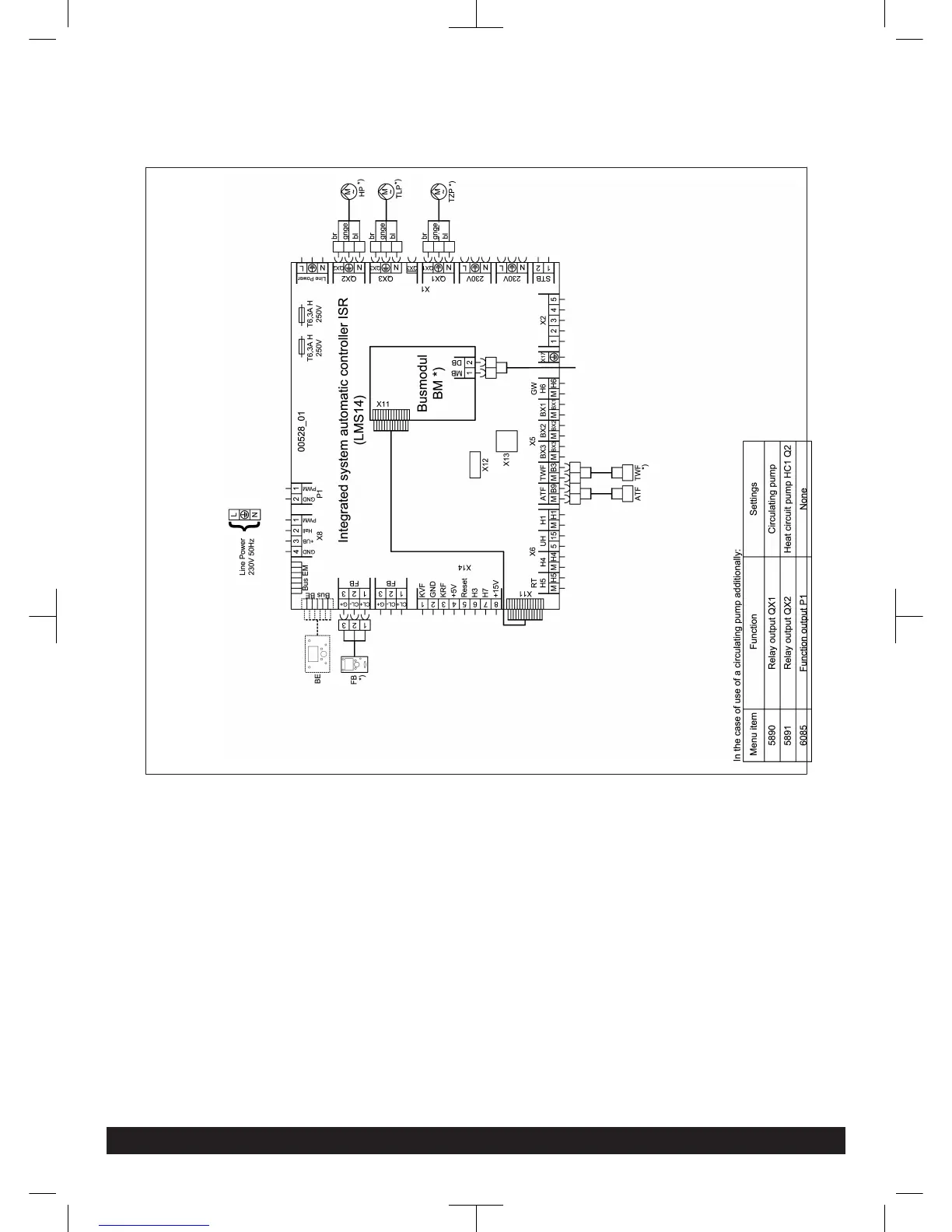
Fig. 5: Connection plan
Prior to installation
7308272-03 03.14 Paramount three 30-115 kW 25

Table of Contents

Related product manuals