EasyManua.ls Logo

Pride Q6 Edge - Battery Charging or Drive Inhibit

Pride Q6 Edge
32 pages
Print Icon
To Next Page IconTo Next Page
To Next Page IconTo Next Page
To Previous Page IconTo Previous Page
To Previous Page IconTo Previous Page
Loading...
Battery Charging or Drive Inhibit
Symptoms:
The power chair powers on, but will not drive.
The off-board charger is not plugged into the NE, NE+, or Q-Logic joystick.
The LCD screen on the NE or NE+ joystick displays “Battery Charging or Drive Inhibit Error” when the on/off key is released.
The battery condition meter LEDs on the Q-Logic joystick scroll when the on/off mode select lever is deflected and “Charger Inhibit Error #107” is displayed.
See figure E.
Diagnosis:
There is an open in the inhibit circuit.
Solution:
Use the following procedure to find the source of the error:
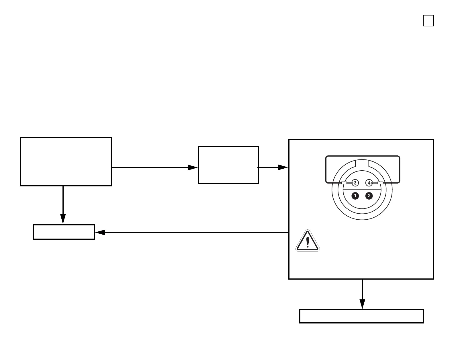
Is the power chair equipped
with a PTO harness and a
round 4-pin barrel connector,
or a 14-pin run plug?
14-PIN RUN PLUG
PTO HARNESS/ROUND
4-PIN BARREL CON-
NECTOR
Disconnect the run
plug from the PTO/
inhibit harness
connector.
PTO/INHIBIT HARNESS CONNECTOR
PLACE A JUMPER BETWEEN PIN 3 AND
PIN 4, THEN TRY TO DRIVE THE CHAIR.
WARNING! Jumping pins 1 and 2
could cause sparking and/or cause
the fuse in the harness to blow.
Go to the next page.
CHAIR DOES NOT DRIVE
CHAIR DRIVES
Replace the run plug and retest the system.
11

Related product manuals