EasyManua.ls Logo

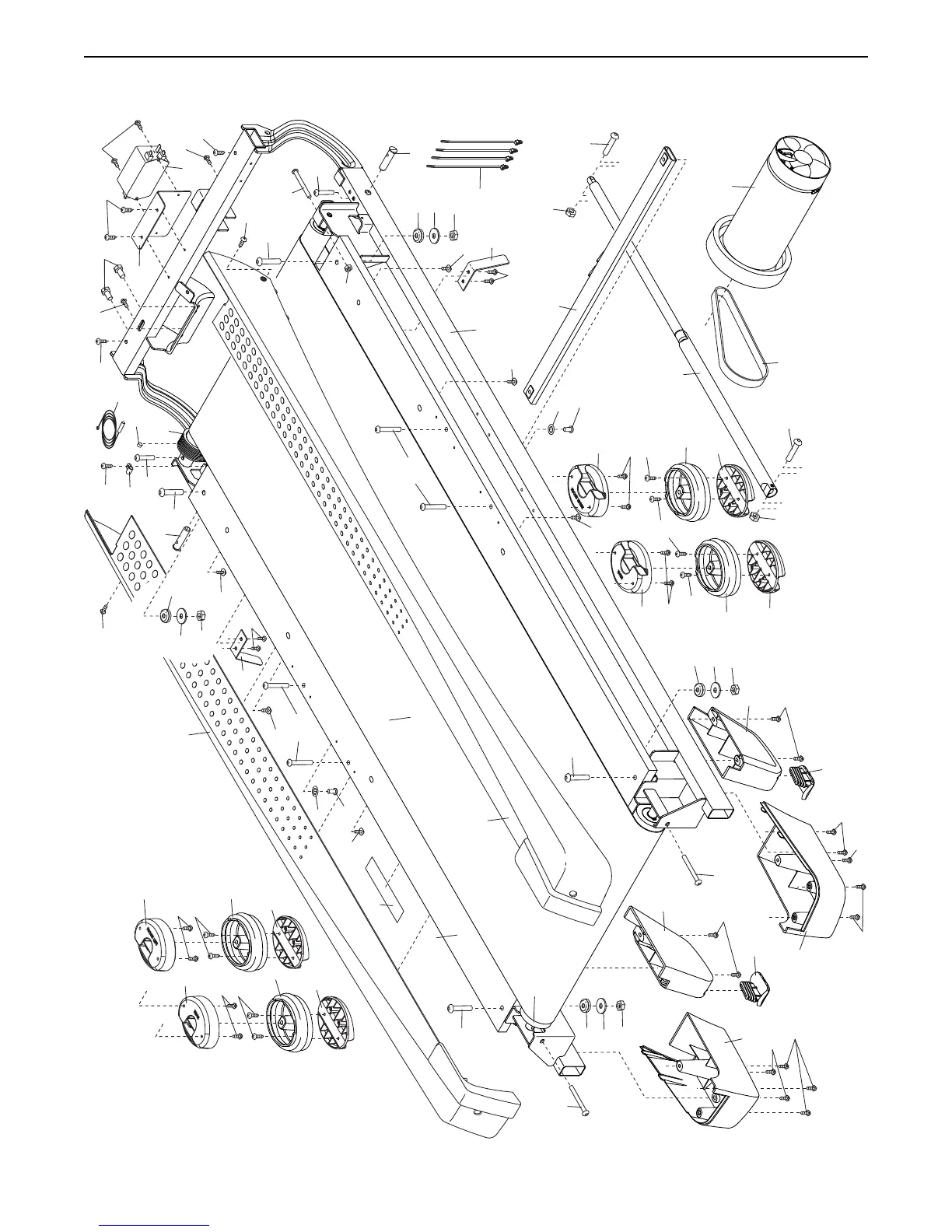
Pro-Form 11.0 TT - Exploded Drawing

Pro-Form 11.0 TT
40 pages
Print Icon
To Next Page IconTo Next Page
To Next Page IconTo Next Page
To Previous Page IconTo Previous Page
To Previous Page IconTo Previous Page
Loading...
36
25
11
12
3
53
6
12
38
23
49
56
20
107
107
54
60
47
34
30
59
23
52
55
46
19
50
14
51
21
45
102
10
10
48
23
15
34
30
59
61
15
30
34
59
23
19
46
43
42
44
21
34
30
59
24
24
57
100
102
24
2 2
103
104
2
24
108
25
11
108
108
108
108
108
110
101
10
10
112
111
100
105
15
115
35
39
95
35
39
26
2
2
14
14
14
2
2
14
14
39
26
35
35
39
99
115
EXPLODED DRAWING A
Model No. PFTL99013.2 R1114A

Related product manuals