EasyManua.ls Logo

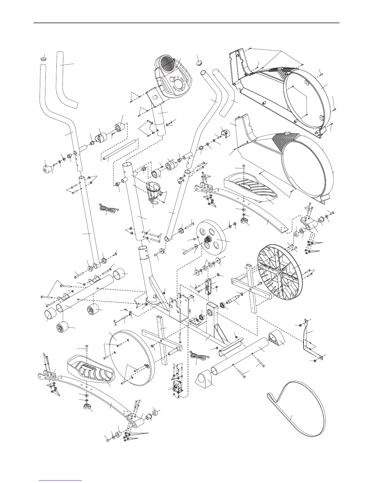
Pro-Form 595 HR - Exploded Drawing

Pro-Form 595 HR
24 pages
Print Icon
To Next Page IconTo Next Page
To Next Page IconTo Next Page
To Previous Page IconTo Previous Page
To Previous Page IconTo Previous Page
Loading...
23
61
30
32
31
30
31
24
8
4
3
50
5
38
44
45
6
46
5
60
17
2
10
33
14
12
35
18
19
1
33
13
37
11
51
51
51
15
51
51
34
9
33
33
20
20
16
61
54
52
53
26
38
28
25
68
27
69
62
55
56
38
50
48
47
49
24
56
55
57
39
33
58
22
41
21
33
41
21
22
37
33
34
81
59
80
81
59
80
60
60
60
23
52
52
64
52
77
52
77
64
37
37
49
48
47
49
49
46
11
16
52
35
70
75
66
36
40
63
40
75
66
63
36
67
59
59
67
73
36
66
75
36
66
75
76
76
71
74
74
74
74
26
78
79
15
66
66
72
42
78
78
82
82
83
85
85
29
29
43
7
86
52
52
43
65
49
49
84
33
59
59
78
78
EXPLODED DRAWING—Model No. PFEVEL48940 R0704A

Other manuals for Pro-Form 595 HR

Related product manuals