EasyManua.ls Logo

Prochem BLAZER PLUS - Page 61

Prochem BLAZER PLUS
104 pages
Print Icon
To Next Page IconTo Next Page
To Next Page IconTo Next Page
To Previous Page IconTo Previous Page
To Previous Page IconTo Previous Page
Loading...
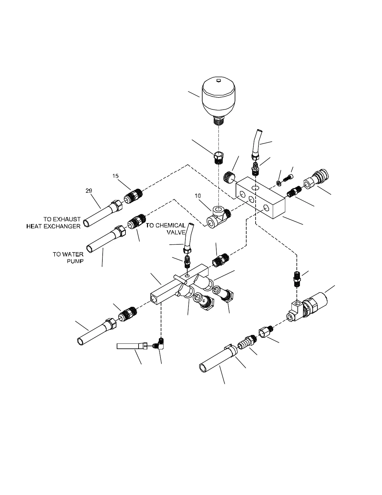
PRESSURE MANIFOLD
BLAZER 980073 09/16/02
5-17
TO PRESSURE GAUGE
5
13
2
1
17
6
21
7
11
11
9
18
8
16
25
26
3
14
24
22
23
15
28
19
15
27
TO EXHAUST
HEAT EXCHANGER
124
TO BYPASS
MANIFOLD
TO VACUUM
HEAT EXCHANGER
20

Table of Contents

Related product manuals