EasyManua.ls Logo

Prochem BLAZER PLUS - Page 73

Prochem BLAZER PLUS
104 pages
Print Icon
To Next Page IconTo Next Page
To Next Page IconTo Next Page
To Previous Page IconTo Previous Page
To Previous Page IconTo Previous Page
Loading...
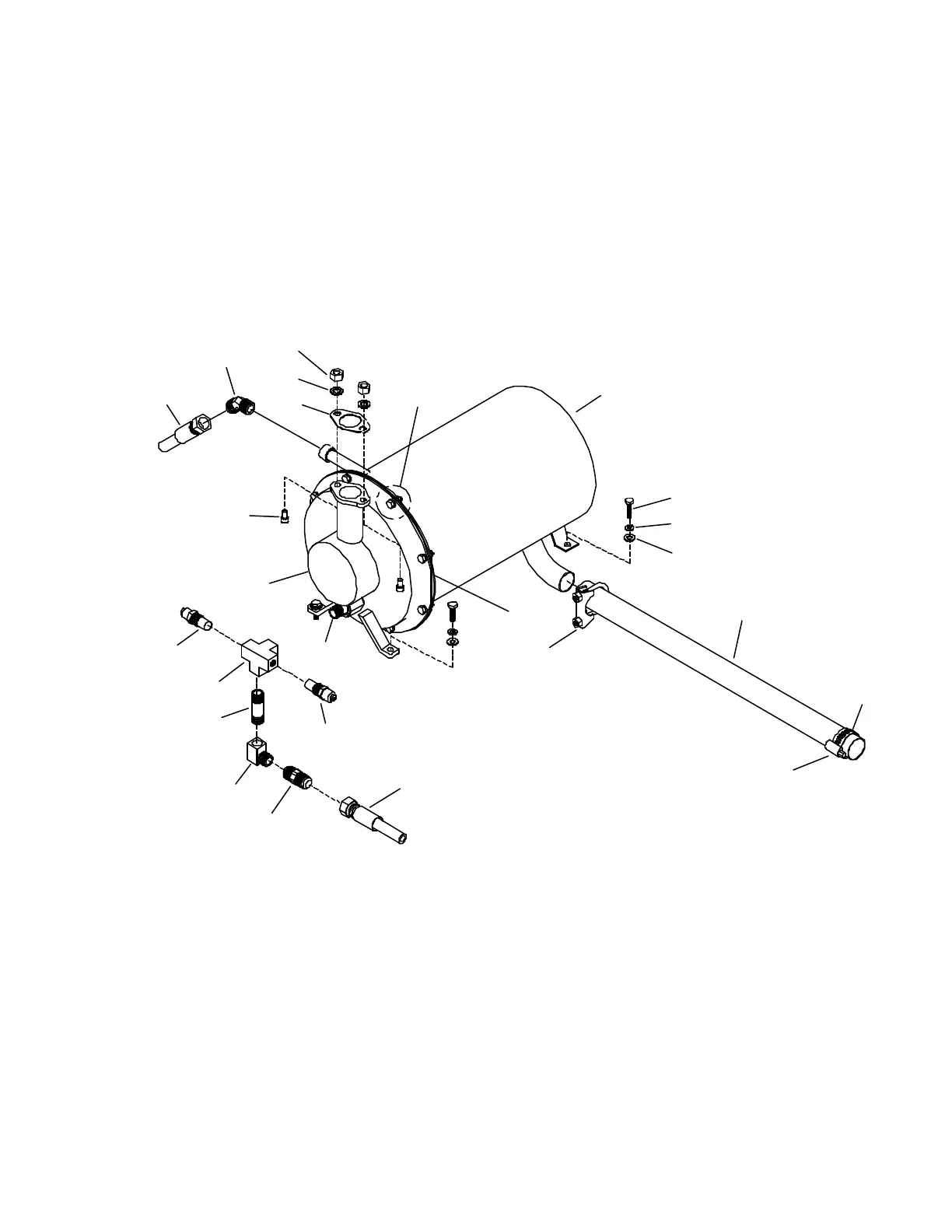
EXHAUST HEAT EXCHANGER
BLAZER 980073 09/16/02
5-29
1
2
3
4
5
6
7
8
9
10
11
12
13
14
15
16
17
18
19
20,26
21,22,23
24
25
27
TO CHECK VALVE MANIFOLD
REGULATLOR
TO PRESSURE
CLAMP TO TAB ON BASE
MANIFOLD

Table of Contents

Related product manuals