EasyManua.ls Logo

ProFusion HA24-75E - EXTERNAL THERMOSTAT WIRING; External Thermostat Requirements

ProFusion HA24-75E
16 pages
Print Icon
To Next Page IconTo Next Page
To Next Page IconTo Next Page
To Previous Page IconTo Previous Page
To Previous Page IconTo Previous Page
Loading...
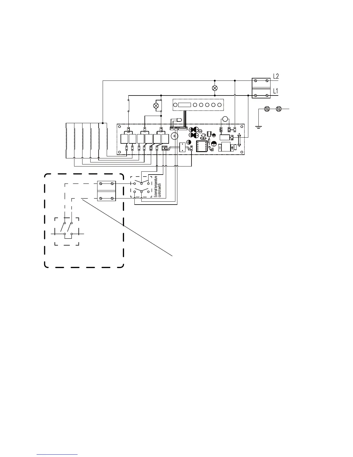
3. The external temperature control ( external thermostat) should be in accordance with
the requirement of UL or ETL standard.
4. The lead wire of external temperature control ( external thermostat) can not less than
16AWG.
External Temperature control
11
IN3
SW
NTC
IN2
PELAY4
DLSPLAY
LED
OUT6
SW-OUT
SW-OUTSW-IN
OUT3
OUT2OUT1
LAMP
LAMP-N
PAN-N
PELAY5
L-IN
PELAY3
PELAY2PELAY1
IN1
Motor
240v 60Hz
Caution light
Over heat
Terminal station
OUT4 OUT5
Over heat
Power light
D
PELAY6
PELAY7
1250W Element
1250W Element
1250W Element
1250W Element
1250W Element
1250W Element
(E)
AC240V/60Hz
External temperature control wiring diagram

Related product manuals