EasyManua.ls Logo

ProFusion HA24-75E - CONNECTING THE POWER

ProFusion HA24-75E
16 pages
Print Icon
To Next Page IconTo Next Page
To Next Page IconTo Next Page
To Previous Page IconTo Previous Page
To Previous Page IconTo Previous Page
Loading...
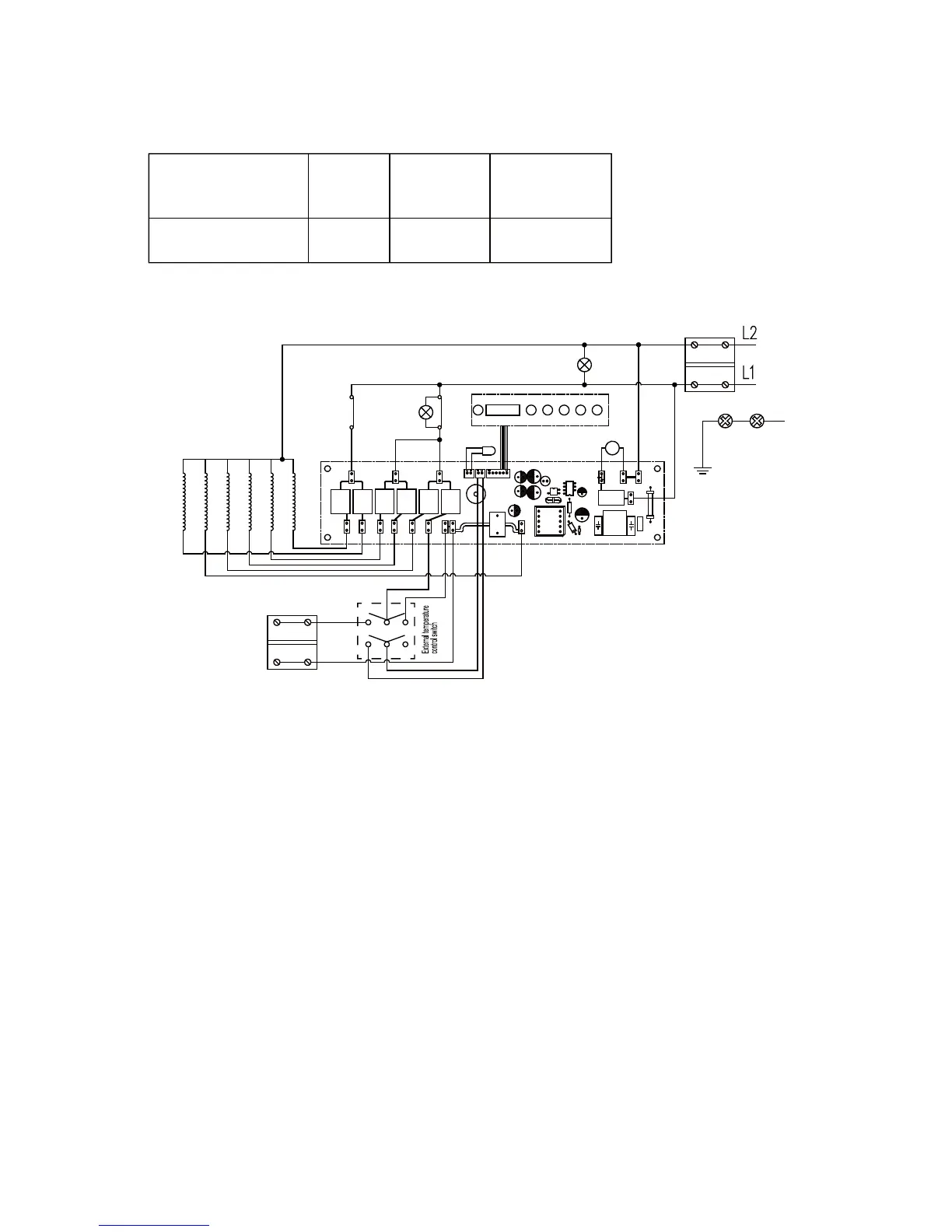
CONNECTING THE POWER
If you will use an external temperature control (external thermostat) to control the heater to be
operated or not, please follow below attention points:
1. Make sure that the heater's External temperature control switch has been switched to
external temperature control mode.
2. Connect the wire according to below wiring diagram.
10
HEATER
RATING&VOLTAGE
HEATER
AMPS
MAX.FUSE
SIZE
MIN.WIRE SIZE
75°C COPPER
7500W@240W 31.3 45 #10
IN3
SW
NTC
IN2
PELAY4
DLSPLAY
LED
OUT6
SW-OUT
SW-OUTSW-IN
OUT3
OUT2OUT1
LAMP
LAMP-N
PAN-N
PELAY5
L-IN
PELAY3
PELAY2PELAY1
IN1
Motor
240v 60Hz
Caution light
Over heat
Terminal station
OUT4 OUT5
Over heat
Power light
D
PELAY6
PELAY7
1250W Element
1250W Element
1250W Element
1250W Element
1250W Element
1250W Element
(E)
AC240V/60Hz
HA24-75E 7500W Principle diagram of electrical apparatus

Related product manuals