EasyManua.ls Logo

ProTec Polymer Processing FG 20 Series - Page 40

Default Icon
76 pages
Print Icon
To Next Page IconTo Next Page
To Next Page IconTo Next Page
To Previous Page IconTo Previous Page
To Previous Page IconTo Previous Page
Loading...
ProTec Polymer Processing GmbH Foerdergeraet_FG201-FG206_BA_1v0_2018_en
40
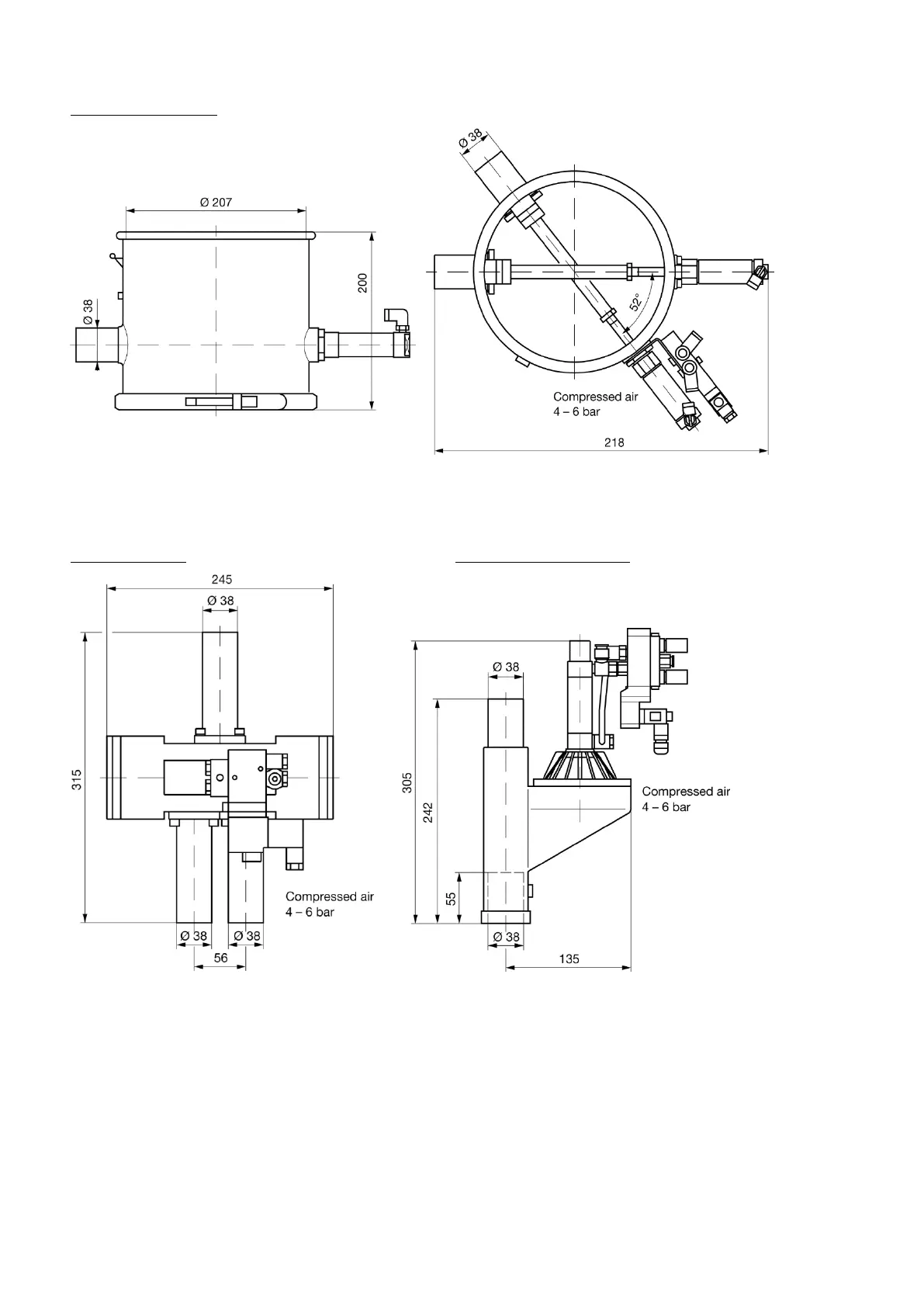
Dosing attachment:
Stainless steel/ St. nickel-plated
3.50 Kg
Dosing turnout: Suction / bypass valve:
Aluminium/ stainless
steel
5.00 Kg
Suction valve: Al,RAL 5018 / stainless
steel
1.60 Kg
Bypass valve: Al,RAL 5018 / stainless
steel
1.44 Kg

Table of Contents

Related product manuals