EasyManua.ls Logo

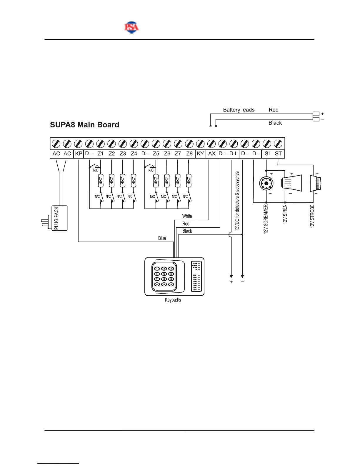
PSA Supa8 - Panel Diagram

PSA Supa8
29 pages
Print Icon
To Next Page IconTo Next Page
To Next Page IconTo Next Page
To Previous Page IconTo Previous Page
To Previous Page IconTo Previous Page
Loading...
SUPA8 Quick Setup
8
Panel Diagram
1
6VAC