EasyManua.ls Logo

Quectel EG91-NAXD - 3.7. Power-on;off Scenarios

Quectel EG91-NAXD
109 pages
Print Icon
To Next Page IconTo Next Page
To Next Page IconTo Next Page
To Previous Page IconTo Previous Page
To Previous Page IconTo Previous Page
Loading...
LTE Standard Module Series
EG91 Series Hardware Design
EG91_Series_Hardware_Design 36 / 106
Module
VB AT_ RF
VB AT_BB
VB AT
C1
100uF
C6
100nF
C7
33pF
C8
10pF
+
+
C2
100nF
C5
100uF
C3
33pF
C4
10pF
D1
WS4.5D3HV
Figure 8: Star Structure of Power Supply
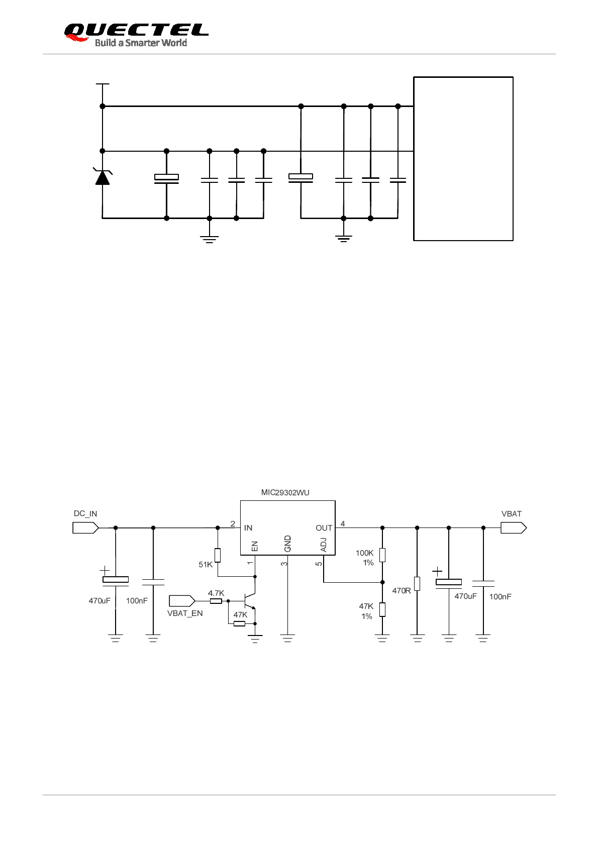
3.6.3. Reference Design for Power Supply
Power design for the module is very important, as the performance of the module largely depends on the
power source. The power supply should be able to provide sufficient current up to 2A at least. If the
voltage drop between the input and output is not too high, it is suggested that an LDO should be used to
supply power for the module. If there is a big voltage difference between the input source and the desired
output (VBAT), a buck converter is preferred to be used as the power supply.
The following figure shows a reference design for +5V input power source. The typical output of the power
supply is about 3.8V and the maximum load current is 3A.
Figure 9: Reference Circuit of Power Supply
3.6.4. Monitor the Power Supply
AT+CBC command can be used to monitor the VBAT_BB voltage value. For more details, please refer to
document [2].

Table of Contents

Related product manuals