EasyManua.ls Logo

Quectel LTE-A Series - Reference Design of Power Supply

Quectel LTE-A Series
83 pages
Print Icon
To Next Page IconTo Next Page
To Next Page IconTo Next Page
To Previous Page IconTo Previous Page
To Previous Page IconTo Previous Page
Loading...
LTE-A Module Series
EG060V-EA Hardware Design
EG060V-EA_Hardware_Design 33 / 82
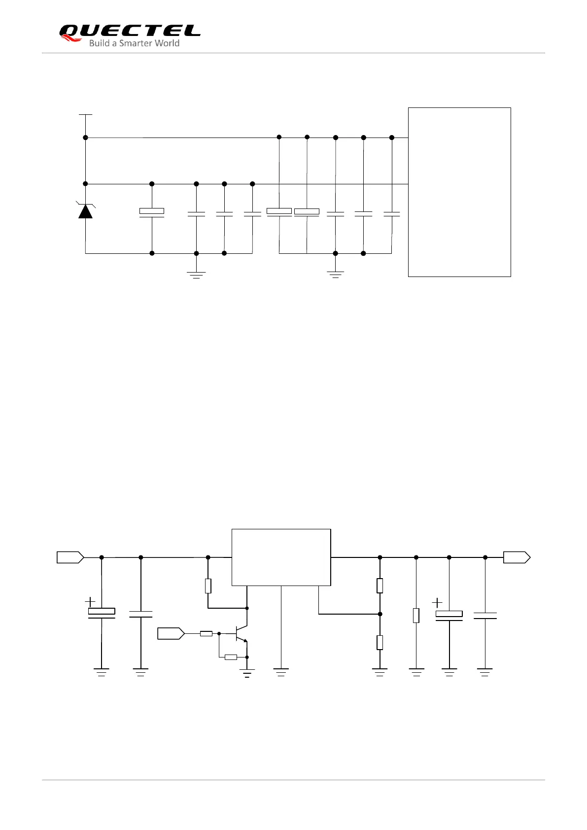
The following figure shows the star structure of the power supply.
Module
VBAT_RF
VBAT_BB
VBAT
C1
100 μF
C7
100 nF
C8
33 pF
C9
10 pF
+
+
C2
100 nF
C5
100
μF
C3
33 pF
C4
10 pF
D1
WS 4.5D3HV
+
C6
100 μF
Figure 9: Star Structure of Power Supply
3.6.3. Reference Design of Power Supply
Power design is critical as the performance of the module largely depends on the stability and suitability of
its power source. The power supply of EG060V-EA should be able to provide a sufficient current of 2 A
1)
at least. If the voltage drop between the input and output is not too high, it is suggested that an LDO
should be used while supplying power for the module. If there is a big voltage difference between the
input source and the desired output (VBAT), a buck converter is preferred.
The following figure shows a reference design for a +5 V input power source. The designed output of the
power supply is about 3.8 V and the maximum load current is 3 A.
DC_IN
MIC29302WU
IN OUT
EN
GND
ADJ
2 4
1
3
5
VBAT
100 nF
470 μF
100 nF
100K
47K
470 μF
470R
51K
1 %
1 %
4.7K
47K
VBAT_EN
1
Figure 10: Reference Design of Power Supply

Table of Contents

Related product manuals