EasyManua.ls Logo

Quectel UC20 - Evaluation Board

Quectel UC20
83 pages
Print Icon
To Next Page IconTo Next Page
To Next Page IconTo Next Page
To Previous Page IconTo Previous Page
To Previous Page IconTo Previous Page
Loading...
UMTS/HSPA Module Series
UC20 Hardware Design
UC20_Hardware_Design Confidential / Released 15 / 82
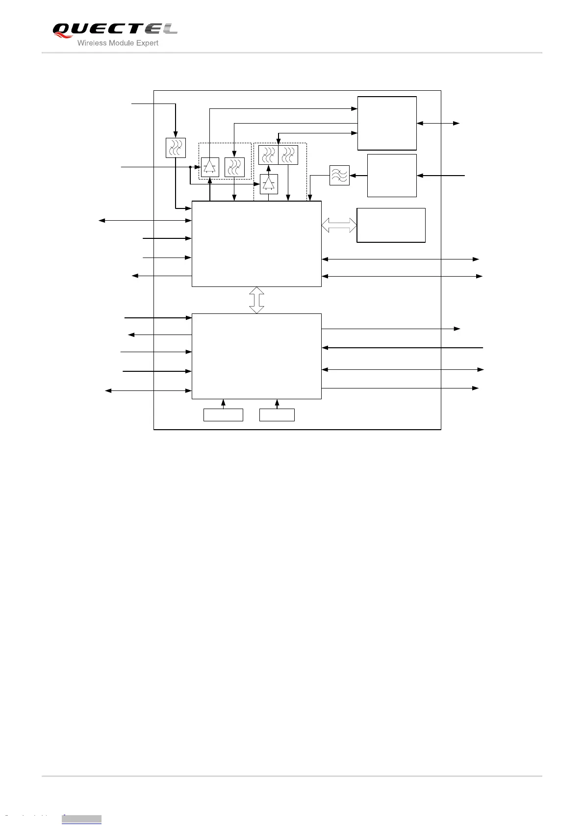
PWRKEY
RESET_N
32kHz
19.2MHz
Power
Management Unit
Baseband
RF Transceiver
GNSS Receiver
ANT_GNSS
RF
Switch
DDR RAM/
ANT_MAIN
USIM
Status
ADC
PCM
UART
VBAT_BB
USB
ANT_DIV
VBAT_RF
VDD_EXT
GSM
UMTS
RF
Switch
VDD_2V85
WAKEUP_IN
VRTC
SLEEP_IND
W_DISABLE#
NAND Flash
Figure 1: Functional Diagram
2.4. Evaluation Board
In order to help you to develop applications with UC20, Quectel supplies an evaluation board (EVB),
RS-232 to USB cable, USB data cable, power adapter, earphone, antenna and other peripherals to
control or test the module. For details, please refer to document [2].
Downloaded from Arrow.com.Downloaded from Arrow.com.Downloaded from Arrow.com.Downloaded from Arrow.com.Downloaded from Arrow.com.Downloaded from Arrow.com.Downloaded from Arrow.com.Downloaded from Arrow.com.Downloaded from Arrow.com.Downloaded from Arrow.com.Downloaded from Arrow.com.Downloaded from Arrow.com.Downloaded from Arrow.com.Downloaded from Arrow.com.Downloaded from Arrow.com.Downloaded from Arrow.com.

Table of Contents