EasyManua.ls Logo

Quicksilver 810 Arvor - Page 52

Quicksilver 810 Arvor
56 pages
Print Icon
To Next Page IconTo Next Page
To Next Page IconTo Next Page
To Previous Page IconTo Previous Page
To Previous Page IconTo Previous Page
Loading...
Quicksilver 810 Arvor— Electrical Systems
40
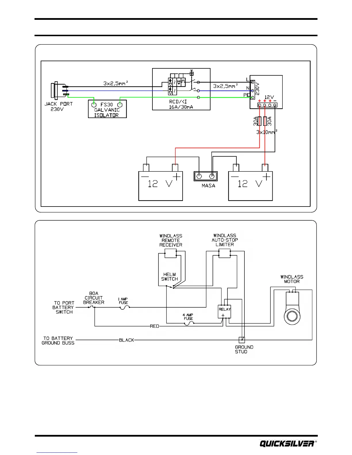
230V AC Schemac
Stern Windlass Schemac

Related product manuals