EasyManua.ls Logo

Quincy Compressor QED 650 - Refrigeration System

Quincy Compressor QED 650
134 pages
Print Icon
To Next Page IconTo Next Page
To Next Page IconTo Next Page
To Previous Page IconTo Previous Page
To Previous Page IconTo Previous Page
Loading...
Instruction Book
26 9828 0934 73
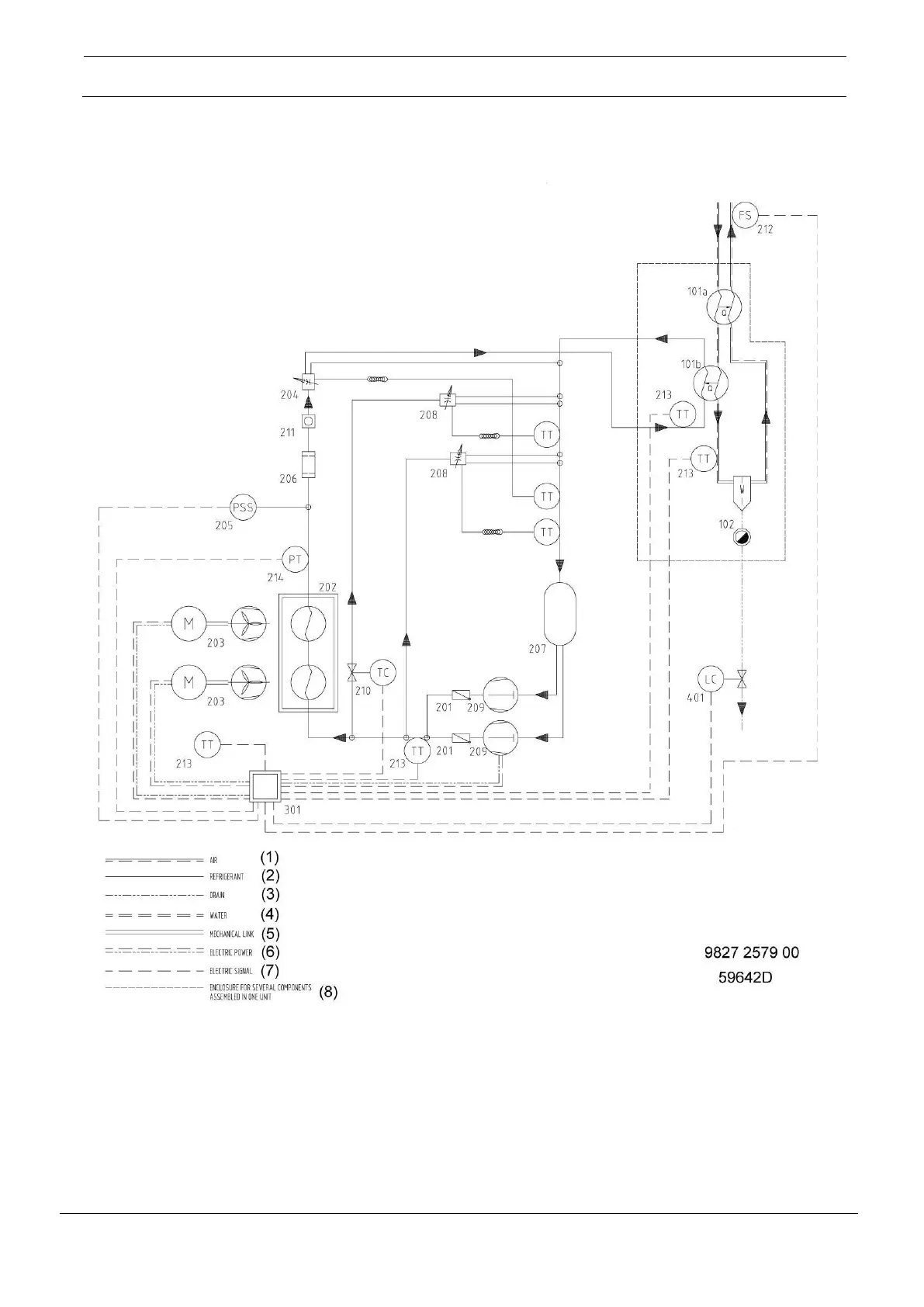
2.3 Refrigeration system
Refrigerant flow diagram
Air and refrigerant flow diagram for QED-650 (ES 310), QED-850 (ES 410) and QED-1050 (ES 510)

Other manuals for Quincy Compressor QED 650

Related product manuals