EasyManua.ls Logo

Quincy Compressor QED 650 - Automatic Regulation System

Quincy Compressor QED 650
134 pages
Print Icon
To Next Page IconTo Next Page
To Next Page IconTo Next Page
To Previous Page IconTo Previous Page
To Previous Page IconTo Previous Page
Loading...
Instruction Book
9828 0934 73 31
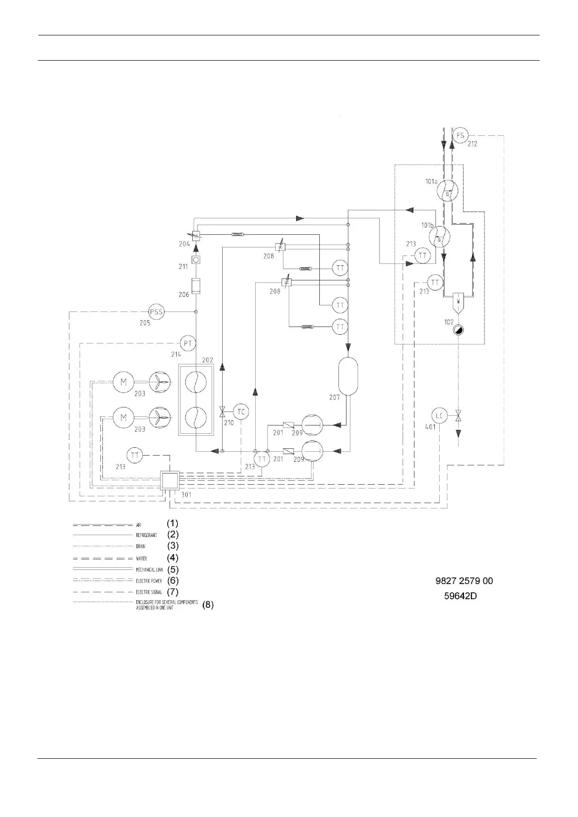
2.4 Automatic regulation system
Air and refrigerant flow diagram
Air and refrigerant flow diagram for air cooled QED-650 (ES 310), QED-850 (ES 410) and QED-1050
(ES 510)