EasyManua.ls Logo

Quincy Compressor QED 650 - Page 29

Quincy Compressor QED 650
134 pages
Print Icon
To Next Page IconTo Next Page
To Next Page IconTo Next Page
To Previous Page IconTo Previous Page
To Previous Page IconTo Previous Page
Loading...
Instruction Book
9828 0934 73 29
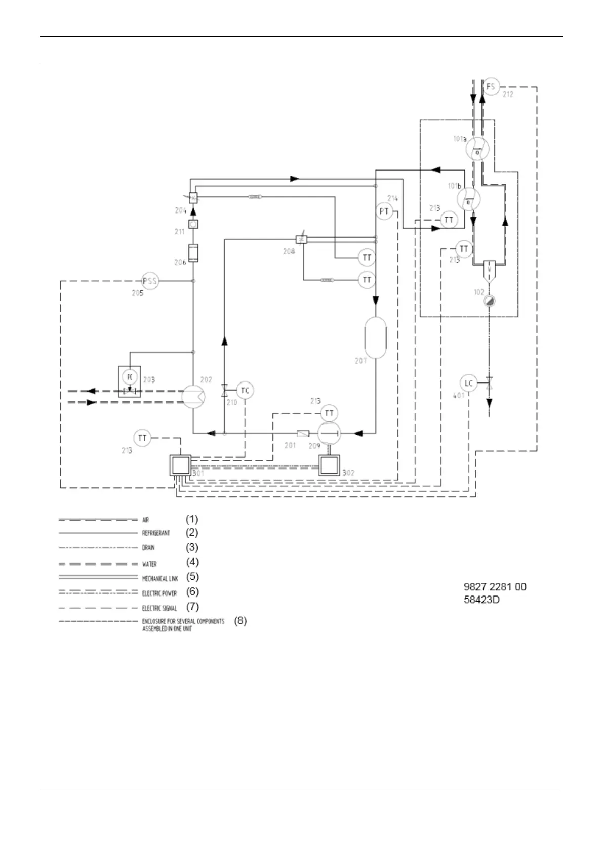
Air and refrigerant flow diagram for water-cooled QPVS-650 (ES 310 VSD), QPVS-850 (ES 410 VSD) and
QPVS-1050 (ES 510 VSD)