EasyManua.ls Logo

R&M LM - 7.18 Two-Speed Solo Hoist - 575 Volt Wiring Diagram

R&M LM
85 pages
Print Icon
To Next Page IconTo Next Page
To Next Page IconTo Next Page
To Previous Page IconTo Previous Page
To Previous Page IconTo Previous Page
Loading...
LM10 I&M MANUAL/EN/11.30.2010
49/85
This document and the information contained herein, is the exclusive property of R&M Materials Handling, Inc., and represents a non-public, confidential and proprietary trade secret
that may not be reproduced, disclosed to third parties, altered or otherwise employed in any manner whatsoever without the express written consent of R&M Materials Handling, Inc.
Copyright © (2010) R&M Materials Handling, Inc. All rights reserved.
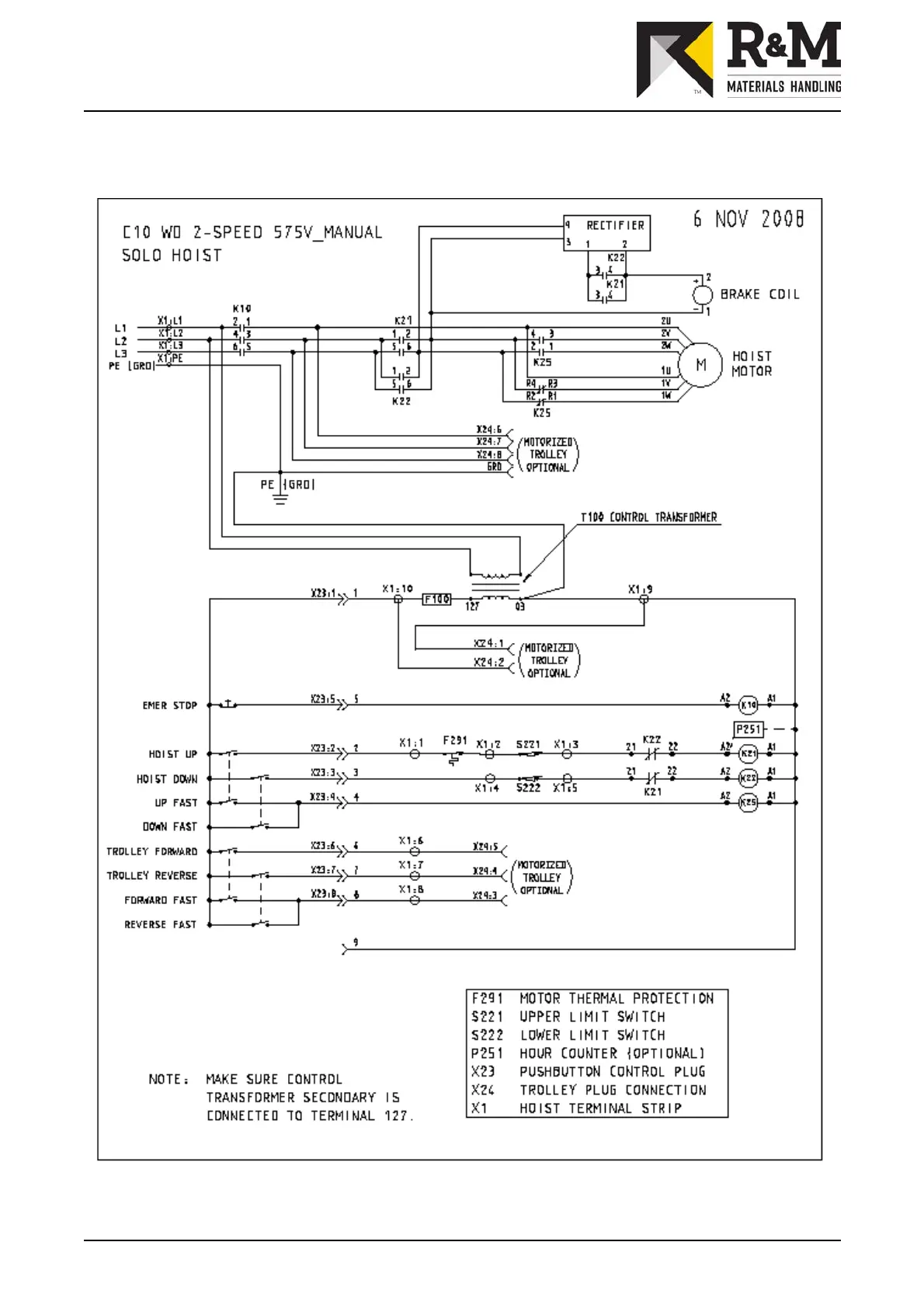
7.18 Two-Speed Solo Hoist – 575 Volt Wiring Diagram
Figure 29. Two-speed solo hoist575 volt wiring diagram
R&M Materials Handling, Inc. | 4501 Gateway Boulevard, Springfield, Ohio 45502 | PH: 1-937-525-5100 | FAX: 1-937-325-5319

Table of Contents

Related product manuals