EasyManua.ls Logo

Rayco RG25HD - 3294 Drive Asm - Rev.a

Rayco RG25HD
72 pages
Print Icon
To Next Page IconTo Next Page
To Next Page IconTo Next Page
To Previous Page IconTo Previous Page
To Previous Page IconTo Previous Page
Loading...
RG25DH Operation • Service • Maintenance • Parts Manual
60
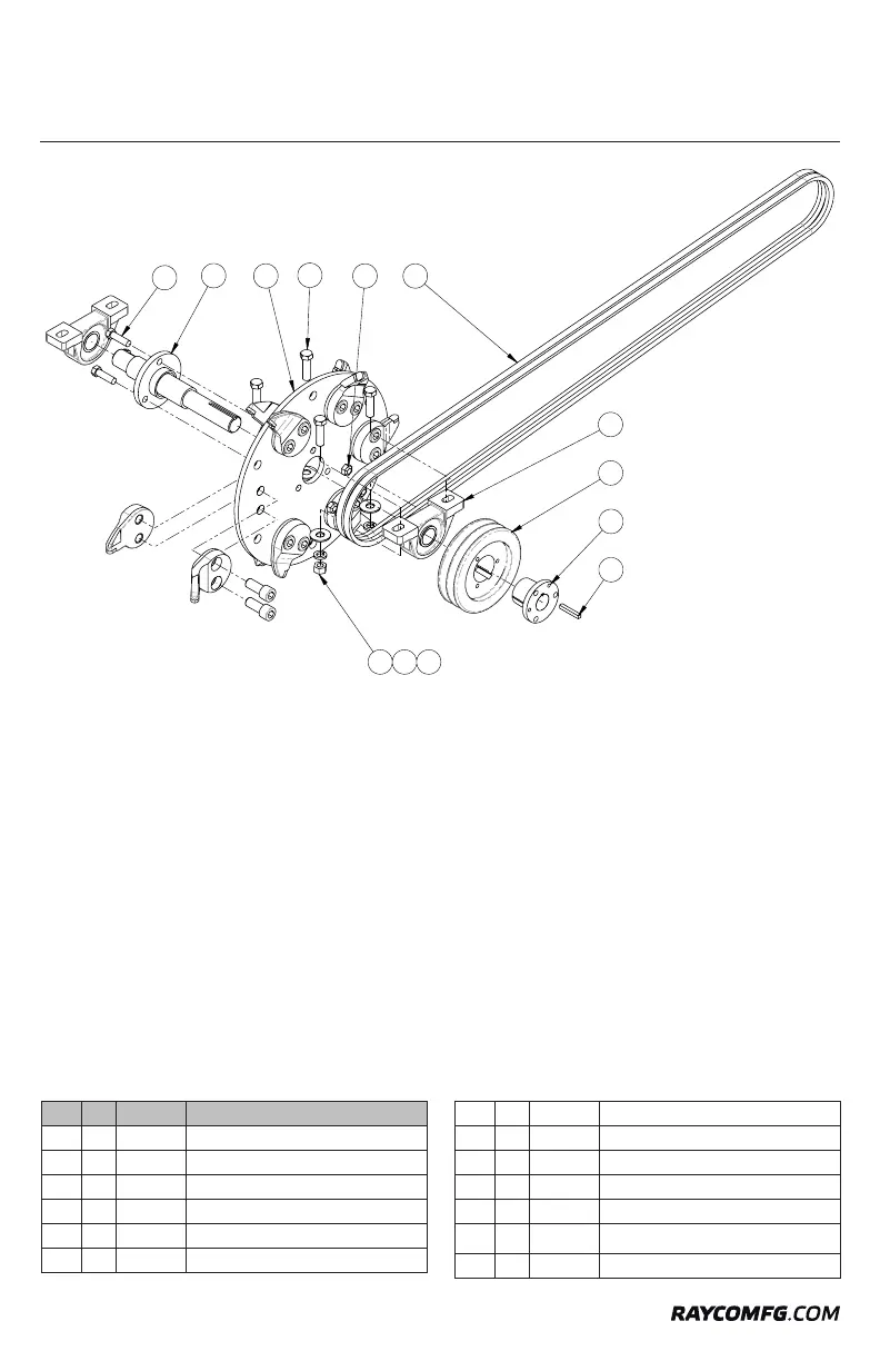
3294 Drive Asm - Rev.A
14
13
11
12
15
2
9
16
18 17
10
3 19
ITEM QTY. PART # DESCRIPTION
1 1 1495 SHAFT,CW
2 1 1502 CUTTER WHEEL ASSY.
3 1 2581-05 1/4 keystock x 1 3/4
4 2 640000 BEARING-PB 1-3/16
5 1 640001 BUSHING - P1, 1-3/16
6 1 640005 SHEAVE-2TB58
7 4 722505 BOLT HEX 1/2-13 x 1 3/4
8 4 724501 NUT HEX 1/2-13 GR8
9 3 724507 NUT LOCK 7/16-20 GR8
10 4 726501 WASHER FLAT 1/2
11 4 726502 WASHER LOCK 1/2
12 2 750231
BELT-AX95 DRIVE 20HD MATCH-
MAKER
13 3 761374 BOLT HEX 7/16-20X1-1/2GR8

Table of Contents

Related product manuals