EasyManua.ls Logo

Raytools BM115 Series - Page 13

Raytools BM115 Series
26 pages
Print Icon
To Next Page IconTo Next Page
To Next Page IconTo Next Page
To Previous Page IconTo Previous Page
To Previous Page IconTo Previous Page
Loading...
12 | 27
www.raytools.ch
BM115 SERIES 6-12KW Laser Cutting Head User Manual
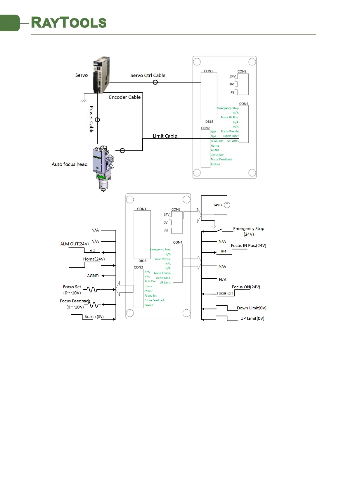
Figure 3.1—ETC_F100 Wiring instruction

Related product manuals