EasyManua.ls Logo

Realistic PRO-2004 - Semiconductor and Component Identification; Integrated Circuit Lead Identification

Realistic PRO-2004
74 pages
Print Icon
To Next Page IconTo Next Page
To Next Page IconTo Next Page
To Previous Page IconTo Previous Page
To Previous Page IconTo Previous Page
Loading...
SEMICONDUCTOR LEAD IDENTIFICATION
AND
IC CIRCUIT
DIAGRAM
'INTEGRATED
CIRCUIT
LEAD IDENTIFICATION
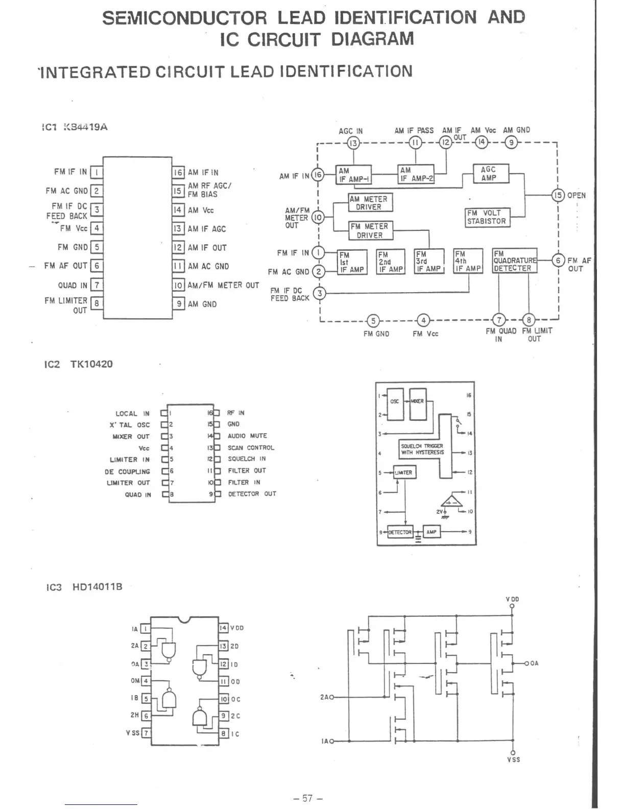
lC1
:(S4419A
FM
AF
OUT
OPEN
AM
IF
AM
Voc
AM
GND
OUT
-.fuL
...I"::L
12
--~-~---.,
I
1
I
I
I
L
~--
__
~-------
7 -
FM
GND
FM
Vee
FM
QUAO
IN
AM/FM
METER
OUT
AM
IF
IN
FM
IF
IN
I
10....-1"=:--'
FM
IF
DC
FEED
BACK
FM
AC
GND
FM
IF
IN
AM
IF
IN
FM
AC
GND
AM
RF
AGCI
FM
BIAS
FM
IF
DC
AM
Vee
FEED
BACK
..
FM
Vee
AM
IF
AGC
FM
GND
AM
IF
OUT
FM
AF
OUT
AM
AC
GND
QUAD
IN
AM/FM
METER
OUT
FM
LIMITER
AM
GND
OUT
IC2
TK10420
LOCAL
IN
RF
IN
TAL
OSC
GND
MIXER
OUT
AUOIO
MUTE
Vee
SCAN
CON
TROL
LIMITER
IN
SQUELCH
IN
DE
CQUPUNG
FILTER
OUT
UMITER
OUT
FILTER
IN
QUAO
IN
OETECTOR
OUT
IC3
H014011S
2
Ao--t-----4-l
IAo--+-----J
1--+
.....
------------;
VSS
-
57-

Other manuals for Realistic PRO-2004

Related product manuals