EasyManua.ls Logo

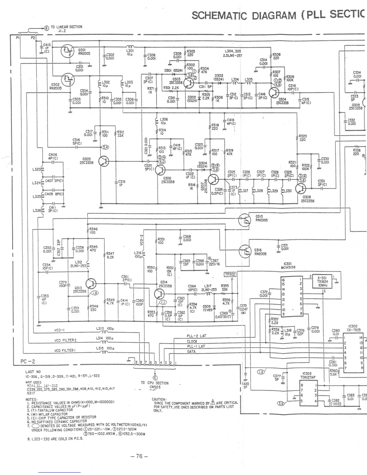
Realistic PRO-2004 - PLL Section Schematic

Realistic PRO-2004
74 pages
Print Icon
To Next Page IconTo Next Page
To Next Page IconTo Next Page
To Previous Page IconTo Previous Page
To Previous Page IconTo Previous Page
Loading...
SCHEMATIC
DIAGRAM
(PLL
SECTIC
R336
-1
220
$J
]
033
5P
0309
h:m
8
TO.OOI
031
3PIC)
,),030
To.OO
I
-
R322
lOOK
R320
220
bC416'
R318
14PICl
220 \
C323b
0.
001
1 R
R315
317
.
R319
47K
100
47K
-
009
R303
U04,305
0.001
220
2.5LN8-257
R308
.r
014
220
R302
0.001
0301
1SS241
10~1j)
R304
r
47K
~
0303
R307
l
0303!(
100
R309
2SC3358
ISS24
I
LJ04
L305
02m
lOOK
R301
UK
rtC!l
C311
5P
g.
..
~
016
R305
~
10PICl
01~f
0302
012
C313
C416
,.
UK
R306
3PIC)
5PICl
3PlCl 0304
0.001
155241
IK
C315
2Scme
4PICI
, L306
10jl
R314
10
c3171
R311
R312
0.
001
1
100
33K
C318
5PICI
~
0305
(~
2SC3358
t!Y
019
IP
C406
~ICI
""6J
L324
~
C407 3PICI
0302
V J
~
L302
~
L303
~~gr
RN2005 -
10~
~
IO~
r--+--+---.....
004
R371
0030.
00I
T
RC305::l
IK
0.001 I
10
P·OOI
0.001T
.r-~T~t::::±==::----L...L.+--L--L--l---JL~~.J
,..-----..®
TO
UNEAR
SECTION
-----
JI.2
PI
·h.~~
-
m-
.Ill!)
0301
1002
L301
t
C308
RN2005
IO~
1
0
001
0.001
o~
I
0.001
U25
~C409
8PlC
-
0315
RN2005
el70
0.047
IMI
I
L317
R355
2LNQ-253
33K
.'
1
R356
0309 4.7K
ISV89T
X
$
C369
0.47/35mT
R354
4.7K
ICI
084
10PICI
1068
1
0
.
001
r T
1<
~~~k~
~65
.1.068
:!.-(tb67
1
33P
To.oOI 1
220
/16
1C301
_ _
..
C145158
. I
TP302Ir-------.:.:......:..-.:.-------
~
~Il
X-301
r-
16
TXI824
15
IOMHz
C372
r---
14
3
0.001
13
41-
__
...
3
12
51----!---...J
,---!---JII
61-J.
...--+---110
7 ",.
f--
9
8f-
R357
l..::-_-,;;,ri
UK
R351
100
N
,
o
§:
L316
~
100jl'"
R347
8.2K
R348
330
R350
R352
~
100
15K
C361
ICI
2PICI
(
J-t-+--
.......
-1~~
0314
0313
rCJ
1
r--I---"2S0358
250358
,@
1
~
R349
C414
060
~
C363
4.7K
liP
ICI
TIIOOP
Igr
I
R353
los
6
C362
470
TO.5P
T
6P
ICI
ICI
C35?
0.001
C379
10QP-
I
C411
"~
3PICI
R346
1
100
052_
~1
r
1c358
R345
0.001~0.001
470
054
L312
~
10PIC)
2LNO-253~
C353
4P
ICI
L326
R35
1
J .I .
C378
1002
,
2.2:
L318
~C376
0.001
080
CX
-7925
PLL-2
LAT
10~
122P
o:,,~
r
_--r_~CL~0~CK~r
H_+-4_':"'_--+---L-.!;;;-'C7r-:J1
14h
r
_I_""""iiP;LL~-~I-=L~AT!.-
'T+-_r--+
---t-_-!-_=:J2
13
'"
r
t-_...!D~Ac!.!TA~
----Hr-"""'-t-
---+-_-l==:J3
121-
4
II
'--
---j---!-......;U
.....
-J5
10
.....
_I
t-r--::-::7
+-------.:~t?08d,
6 9
1
@c3n-I"
IC303
l~~~:~f
7 8
5P
T
T06127AP
r.420
"j,.
1
5P
~
~w
CAUTION'
L.r;;-6 3 h ,
083
1
09
,
SINCE
THE
COMPONENT
MARKEO
BY
6.
ARE
CRITICAL
@"L.--
5 4 h
Tc
082
0.01
T
O.DC
~~~/AFETY,
USE
ONES
DESCRI8ED
ON
PARTS
LIST
...
_-
_-_-_-_.J
C_O_0_22
""_
J;'l9
8 7
6l
JJ
I
<b
TO
CPU
SECTION
. -
CN503
---
..
...
UI5
100~
L313
IOO~
••
L314
100~
VCO
FILTER2
VCO
FILTER
I
VCO-I
LAST
NO
IC-306,
0-319,0-309,
C-421, R-371
,L-322
NOT
USED
~;~~t~~
...
,~6:
.~:;~
g~~i
,355,
375,385,
390,391
,3~
,408,410,412,415,417
NOTES'
I.
RESISTANCE
VALUES
IN
OHMSIK'IOOO,M'IOOOOOOI
2.
CAPACITANCE
VALUES
IN
pF
I
p,
p~F
I
3.lTl,TANTALUM
CAPACITOR
4.IMI'MYLAR
CAPACITOR
5. IC)·
CHIP
TYPE
CAPACITOR
OR
RESISTOR
6.
NO
SUFFIXED
CERAMIC
CAPACITOR
7.
0
DENOTES
DC
VOLTAGE
MEASURED
WITH
DC
VOLTMETERllOOKn/VI
UNDER
FOLLOWING
CONDITIONS
025-220.,
',51.1
,@220.5-520M
aJ760-1052.495M,@1052.5-1300M
8.
U23
-
330
~RE
COILS
ON
P.C.9. .
PC-2
-76
-

Other manuals for Realistic PRO-2004

Related product manuals