EasyManua.ls Logo

Reece Series S2 - Page 34

Default Icon
125 pages
Print Icon
To Next Page IconTo Next Page
To Next Page IconTo Next Page
To Previous Page IconTo Previous Page
To Previous Page IconTo Previous Page
Loading...
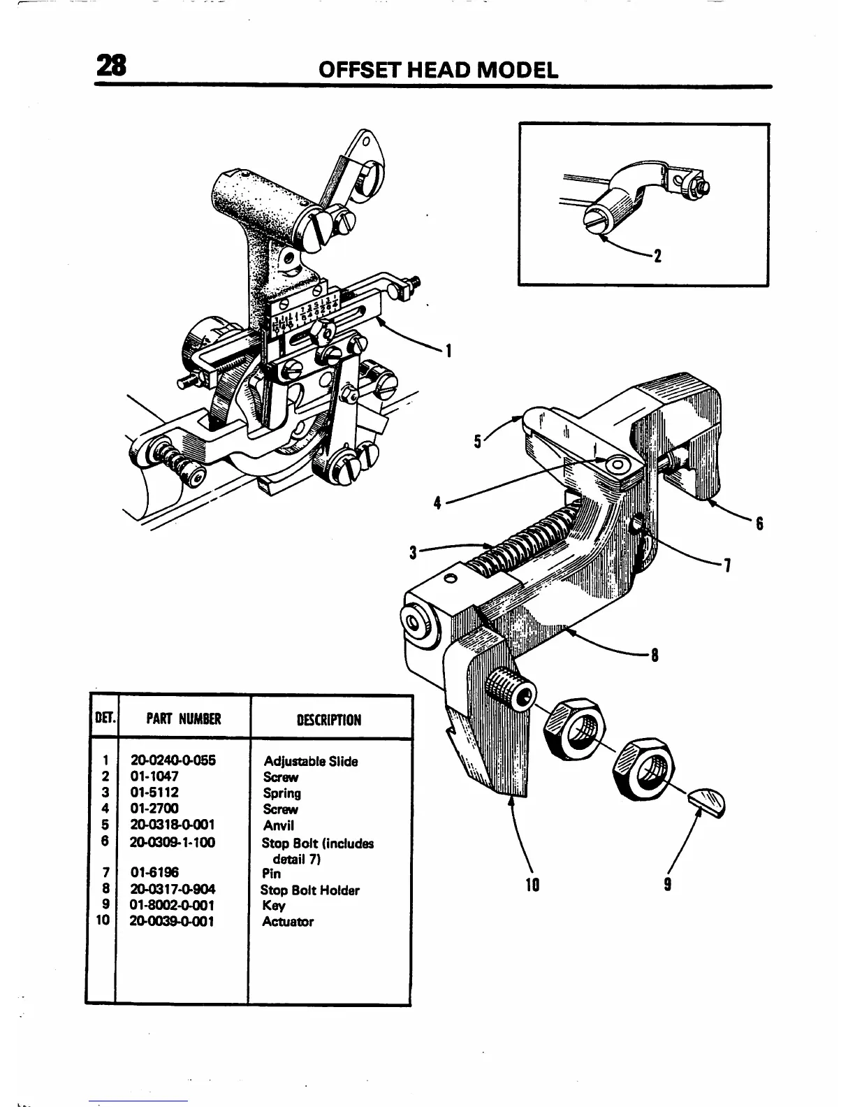
28
OFFSET
HEAD
MODEL
DET.
PART
NUMBER
DESCRIPTION
1
20-024a0-055
Adjustable
Slide
2
01-1047
Screw
3
01-5112
Spring
4
01-2700
Screw
5
20-0318-0-001
Anvil
6
20-0309-1-100
Stop
Bolt
(includes
detail
7)
7
01-6196
Pin
8
204)317-0-904
Stop
Bolt
Holder
9
01-8002-04)01
Key
10
20-0039-04)01
Actuator
il
From the library of: Superior Sewing Machine & Supply LLC