EasyManua.ls Logo

Reece Series S2 - Page 50

Default Icon
125 pages
Print Icon
To Next Page IconTo Next Page
To Next Page IconTo Next Page
To Previous Page IconTo Previous Page
To Previous Page IconTo Previous Page
Loading...
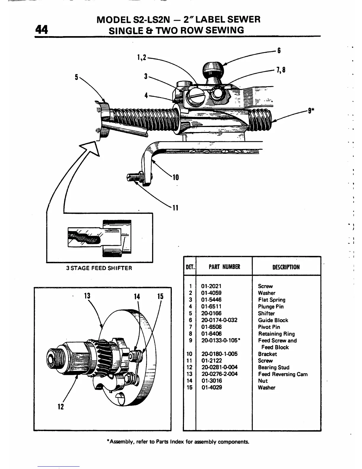
44
MODEL
S2-LS2N
-
Z"
LABEL
SEWER
SINGLE
&
TWO
ROW
SEWING
3
STAGE
FEED
SHIFTER
on.
PART
NUMBER
DESCRIPTION
1
01-2021
Screw
2
01-4059
Washer
3
01-5446
Flat
Spring
4
01-6511
Plunge
Pin
5
20-0166
Shifter
6
20-0174-0-032
Guide
Block
7
01-6508
Pivot
Pin
8
01-6406
Retaining Ring
9
20-0133-0-105'
Feed
Screw
and
Feed
Block
10
20-0180-1-005
Bracket
11
01-2122
Screw
12
20-0281-0-004
Bearing
Stud
13
20-0276-2-004
Feed
Reversing Cam
14
01-3016
Nut
15
01-4029
Washer
^Assembly,
refer
to
Parts
Index
for
assembly
components.
From the library of: Superior Sewing Machine & Supply LLC