EasyManua.ls Logo

Renesas RL78/G1D - Internal Circuits of the E20 (When the RL78 Family Is Connected)

Renesas RL78/G1D
59 pages
Print Icon
To Next Page IconTo Next Page
To Next Page IconTo Next Page
To Previous Page IconTo Previous Page
To Previous Page IconTo Previous Page
Loading...
E1/E20/E2/E2 Lite Additional Document 2. Designing the User System
R20UT1994EJ0910 Rev.9.10 Page 32 of 59
Oct.06.23
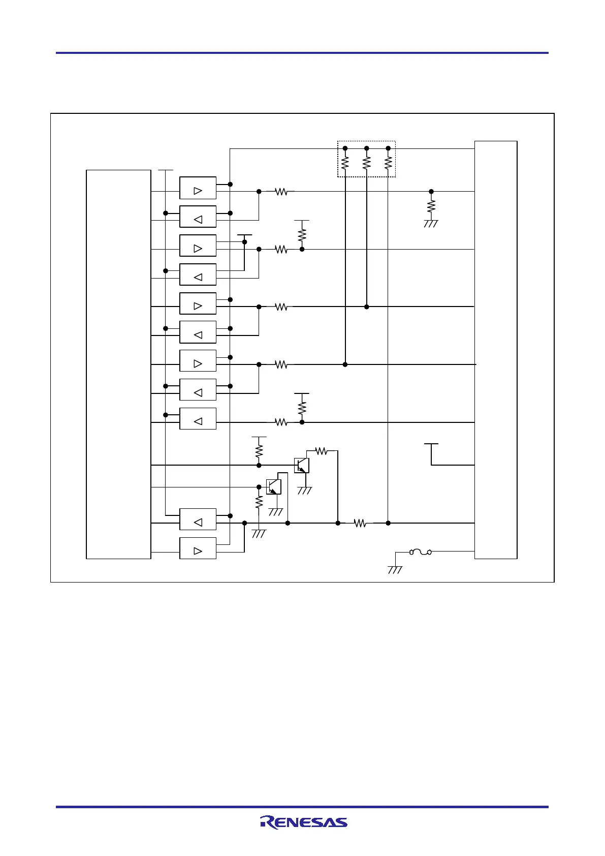
2.6.2 Internal Circuits of the E20 (when the RL78 Family is Connected)
Figure 2-17 shows the internal circuits of the E20 with the RL78 family connected.
Emulator
control
circuit
100 k
RSTPU
VDD
4
8
22
74LVC125
74LVC8T245
3.3 V
EMVDD
TOOL0
5
74LVC125
EMVDD
74LVC125
74LVC8T245
6
RESET_IN
74LVC125
74LVC8T245
22
10
RESET_OUT
3.3 V
74LVC125
22 100 k
GND
14
3.3 V
74LVC8T245
13
RESET_OUT
22
470
2,12
GND
EMVDD
EMVDD
9
22
22
74LVC2T245
100 k
74LVC125
Self-recovering
fuse
User-side
connector
100 k× 3
Figure 2-17 Internal Circuits of the E20 (RL78 Family)

Table of Contents

Other manuals for Renesas RL78/G1D

Related product manuals