EasyManua.ls Logo

REVCON RHF-Active - Electrical Wiring; 3 P3 W Wiring

Default Icon
40 pages
Print Icon
To Next Page IconTo Next Page
To Next Page IconTo Next Page
To Previous Page IconTo Previous Page
To Previous Page IconTo Previous Page
Loading...
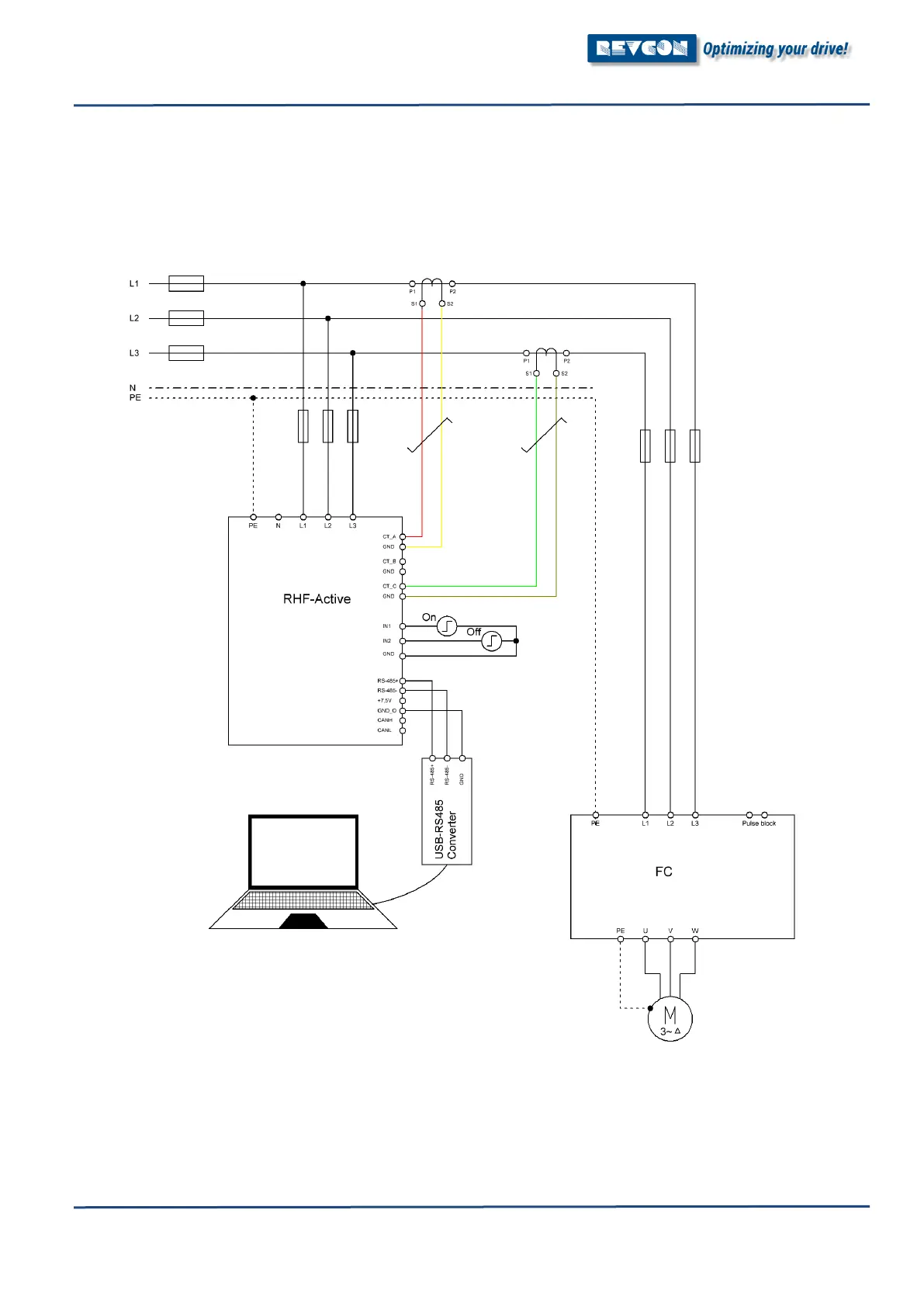
5. Installation instructions
User manual RHF-Active 26
5.3 Electrical wiring:
5.3.1 3P3W wiring