EasyManua.ls Logo

REVCON RHF-Active - 3 P4 W Wiring

Default Icon
40 pages
Print Icon
To Next Page IconTo Next Page
To Next Page IconTo Next Page
To Previous Page IconTo Previous Page
To Previous Page IconTo Previous Page
Loading...
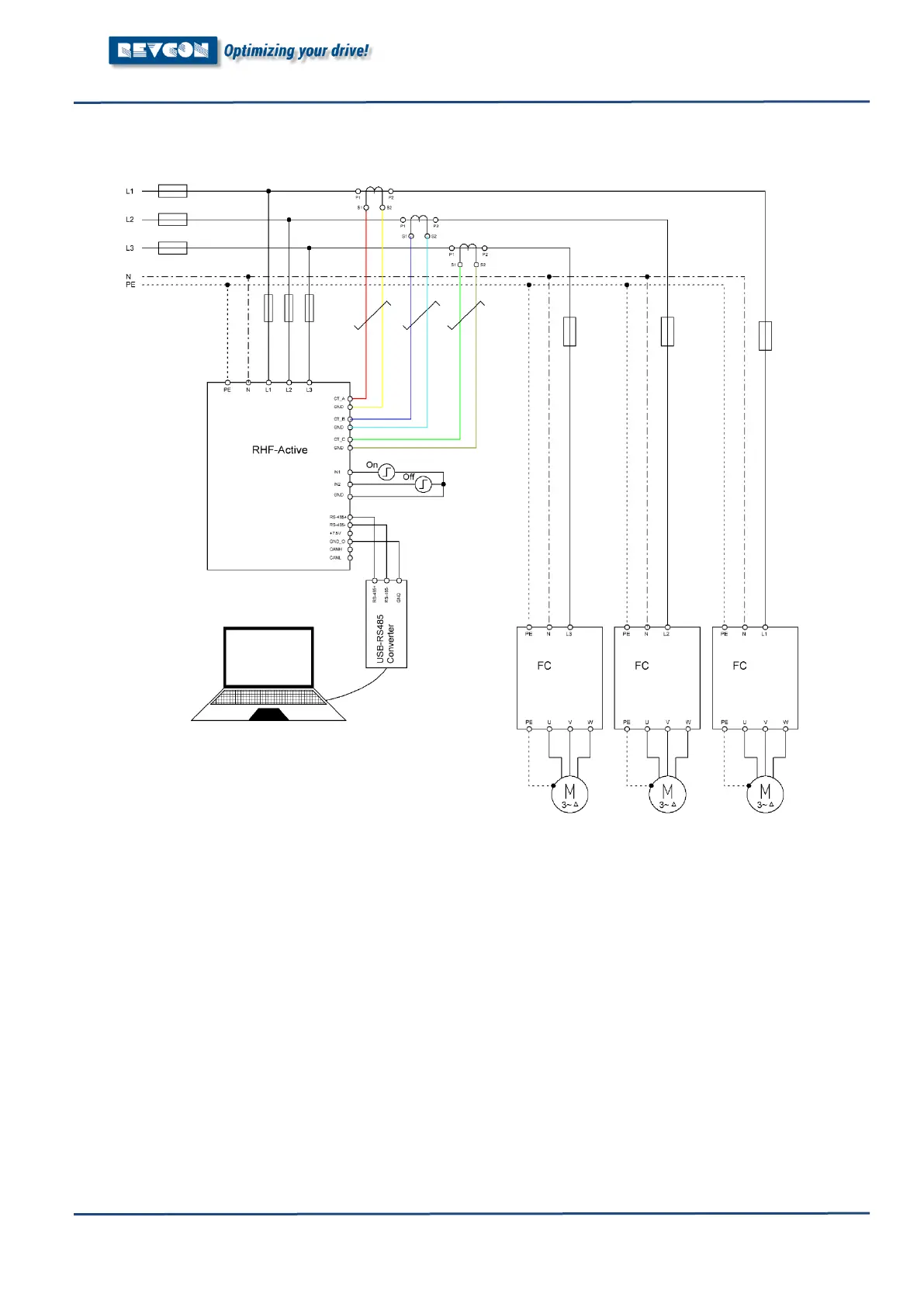
5. Installation instructions
27 User manual RHF-Active
5.3.2 3P4W wiring