EasyManua.ls Logo

RIB SUPER 2200 - Mechanical Installation and Maintenance; Motor and Rack Fitting; Limit Switch Adjustment; Maintenance Procedures

RIB SUPER 2200
Print Icon
To Next Page IconTo Next Page
To Next Page IconTo Next Page
To Previous Page IconTo Previous Page
To Previous Page IconTo Previous Page
Loading...
29
G
B
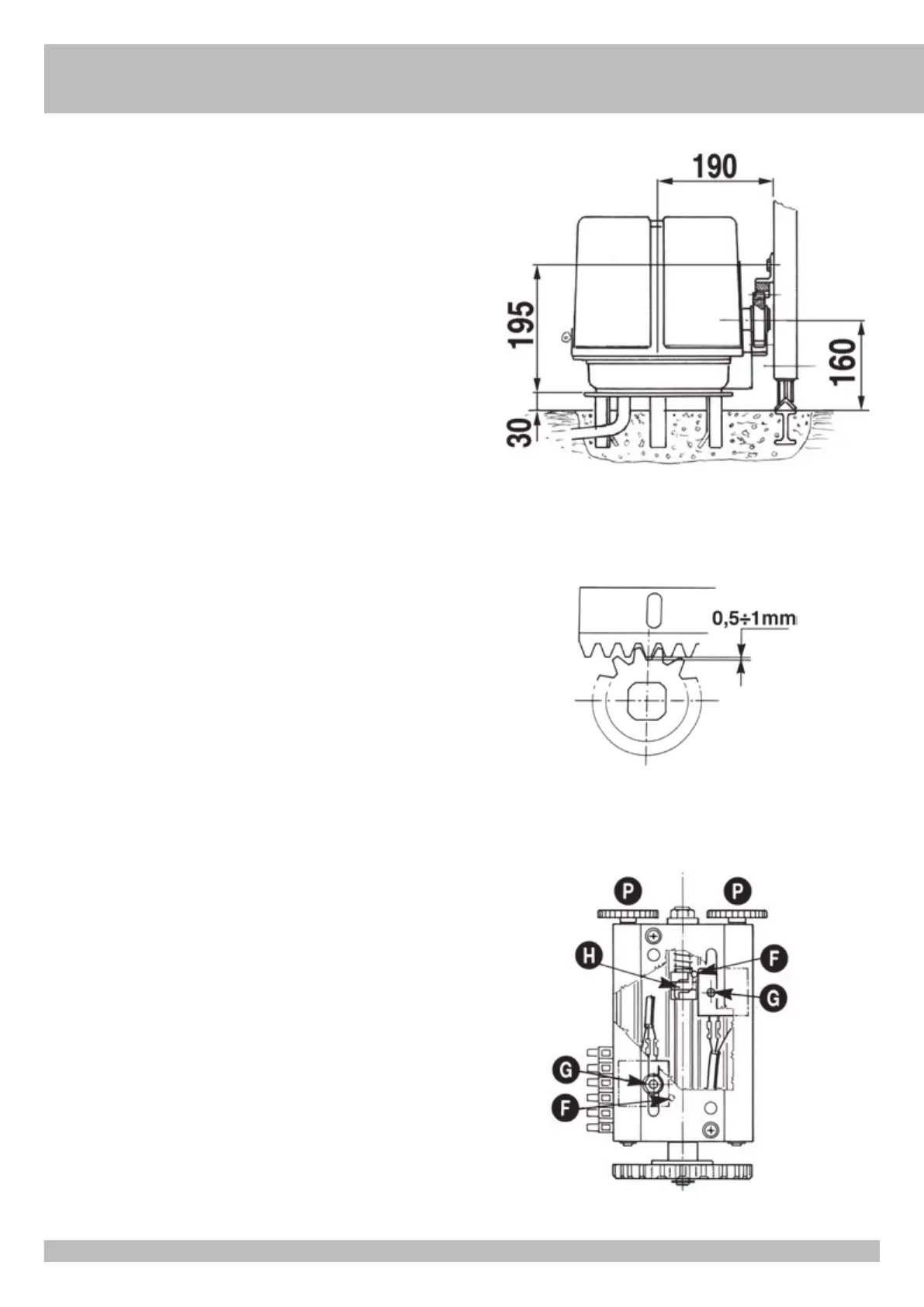
MOTOR AND RACK FITTING
The rack shall be fitted over the motor support, at a certain distance from It.
Its height can be adjusted thanks to the holes In the rack.
The height adjusting is necessary to prevent the gate leaning on the driving gear (5 and 6).
To fix the rack on the gate, drill some Ø 5 mm holes and thread them using an M6 screw
tap.
The driving gear needs some 1 mm clearance from the rack.
LIMIT SWITCH ADJUSTMENT
To adjust the assembly: release nuts G, after establishing the direction of movement of
cam H for opening and closing, position the two limit switches, F, by turning knobs P and
judging by sight.
After checking for correct operation of the two microswitches, precisely adjust their positions
so that the gate will stop in the desired position during opening and closing. Then fasten
nuts G.
N.B. The standard limit switch is used for gates up to 10,5 meters long.
MAINTENANCE
To be carried out exclusively by skilled persons after the power supply to the motor
has been interrupted.
Periodically, when the gate is standstill, clean and keep the guide free from stones and dirt.
7
Measurements in mm/inch
0,004”
6
Measurements in mm/inch
1,2”
7,7”
7,5”
11”
5
Measurements in mm/inch

Related product manuals