EasyManua.ls Logo

RIB SUPER 2200 - Manutenzione

RIB SUPER 2200
Print Icon
To Next Page IconTo Next Page
To Next Page IconTo Next Page
To Previous Page IconTo Previous Page
To Previous Page IconTo Previous Page
Loading...
7
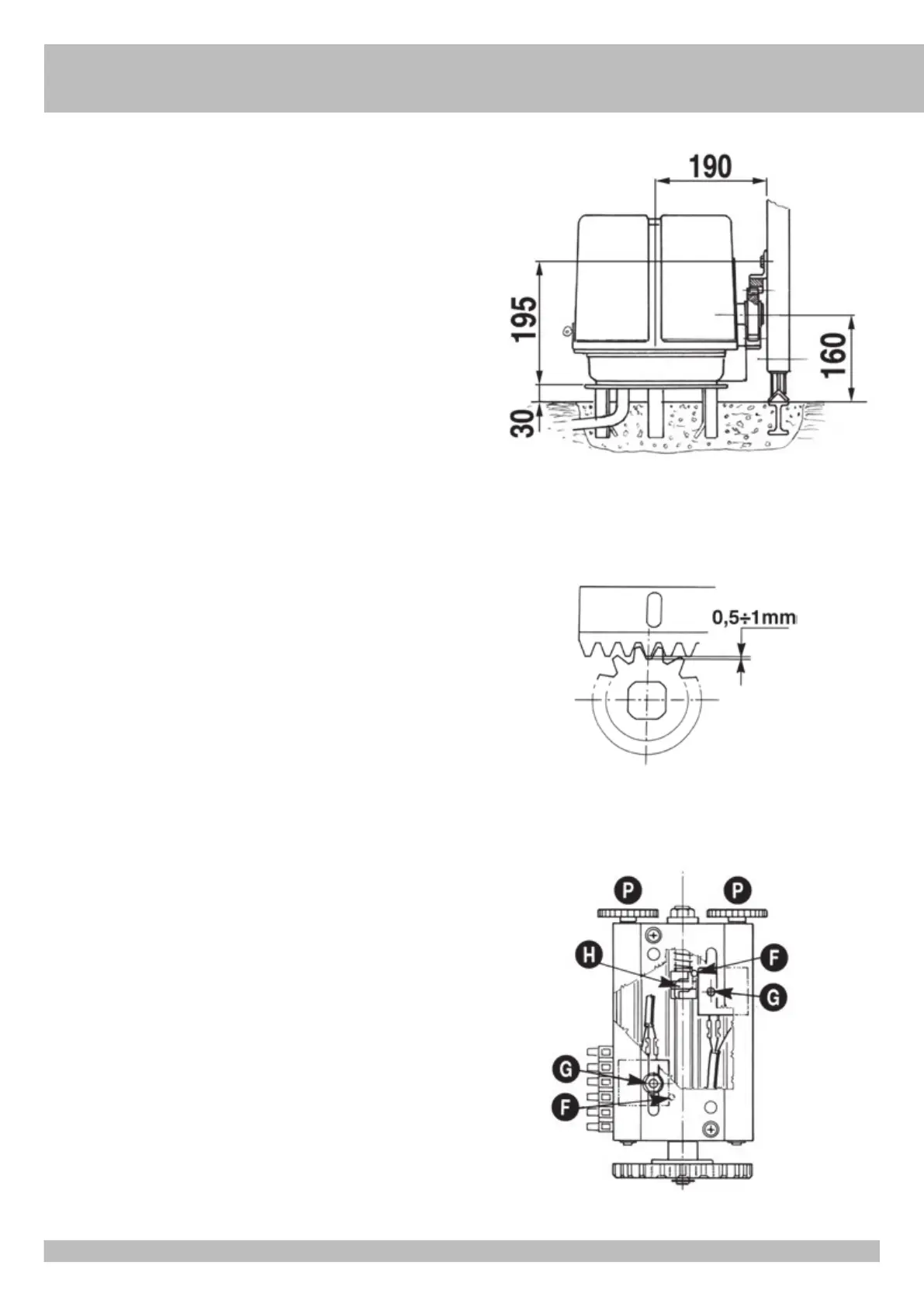
FISSAGGIO MOTORE E CREMAGLIERA
La cremagliera va fissata a una certa altezza rispetto alla piastra di fissaggio del motore.
Questa altezza può essere variata grazie a delle asole presenti sulla cremagliera.
La registrazione in altezza viene fatta affinché il cancello durante il movimento, non si
appoggi sull’ingranaggio di trazione del riduttore (Fig. 5,6).
Per fissare la cremagliera sul cancello si eseguono dei fori di Ø 7 mm e si filettano
utilizzando un maschio del tipo M8.
L’ingranaggio di traino deve avere circa da 0,5 a 1 mm di agio rispetto alla cremagliera.
REGOLAZIONE FINECORSA
Per la regolazione (fig. 7): sbloccare i dadi G.
Stabilito il senso di spostamento della camme H sia in apertura che in chiusura,
posizionare a vista i due finecorsa F agendo sui pomoli P.
Dopo aver verificato il corretto funzionamento elettrico dei due microswitches si perfeziona
la loro posizione fino ad ottenere l’arresto in apertura e in chiusura nella posizione voluta,
poi si bloccano i dadi G.
N.B. Il finecorsa viene utilizzato per cancelli aventi lunghezza Max di 10,5 metri.
MANUTENZIONE
Da effettuare solamente da parte di personale specializzato dopo aver tolto
l’alimentazione elettrica al motore. Pulire periodicamente, a cancello fermo, la guida di
scorrimento da sassi e altra sporcizia.
7
Misure in mm
5
Misure in mm
6
Misure in mm
I

Related product manuals