EasyManua.ls Logo

RIB SUPER 2200 - Mantenimiento

RIB SUPER 2200
Print Icon
To Next Page IconTo Next Page
To Next Page IconTo Next Page
To Previous Page IconTo Previous Page
To Previous Page IconTo Previous Page
Loading...
51
E
S
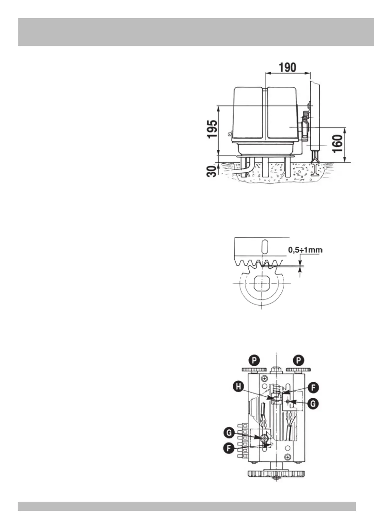
ANCLAJE MOTOR Y CREMALLERA
La cremallera se tiene que anclar a una determinada altura respecto al soporte del motor.
Dicha altura se puede variar gracias a unos ojales presentes en la cremallera.
El ajuste de la altura se efectúa para que la verja durante el movimiento no se apoye sobre
el engranaje de tracción del K (Fig. 5,6).
Para fijar la cremallera a la verja se practican unos agujeros de ø 7mm y se roscan
usando una roscadora del tipo M8
El engranaje de arrastre tiene que tener una holgura de alrededor de 0,5÷1 mm respecto
a la cremallera .
FIJACIÓN FINAL DE CARRERA
Para el ajuste (fig. 7): desbloquear las tuercas G.
Una vez establecido el sentido del movimiento de la camme H, ya sea en abertura que
en cierre, posicionar en vista los dos finales de carrera F operando con los pómulos P.
Después de haber verificado el correcto funcionamiento eléctrico de los dos microswitches
se perfeccionan sus posiciones hasta lograr la parada en abertura y en cierre, en la
posición deseada, luego se bloquean las tuercas G.
P.S. El final de carrera se utiliza para cancelas con una longitud de Máx. 10,5 metros.
MANTENIMIENTO
Tiene que ser efectuado solamente por personal especializado tras haber cortado
la alimentación eléctrica al motor.
Limpiar periódicamente, con la verja parada, la guía de deslizamiento de eventuales
piedras u otras suciedades.
7
Medidas en mm
5
Medidas en mm
6
Medidas en mm

Related product manuals