EasyManua.ls Logo

Ricoh MD-P2 - LD Safety Switch; Laser Optics Housing Unit

Ricoh MD-P2
356 pages
Print Icon
To Next Page IconTo Next Page
To Next Page IconTo Next Page
To Previous Page IconTo Previous Page
To Previous Page IconTo Previous Page
Loading...
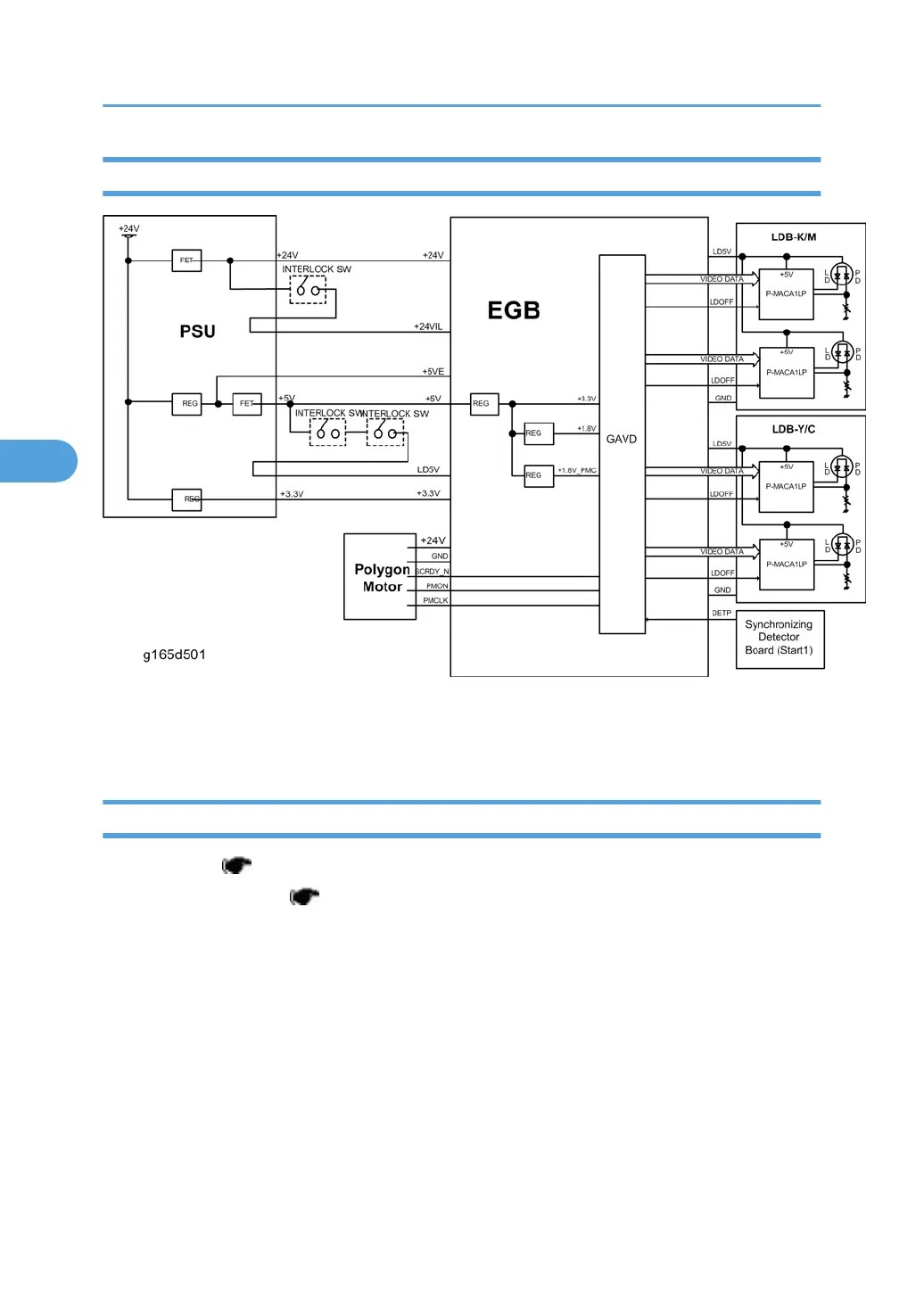
LD Safety Switch
A safety switch turns off when the front cover or the right door is opened. As a result, the relay on the
PSU cuts off the power supply (+5V) to the four LD boards. (The electric circuits go through the EGB and
IOB) This system prevents unexpected laser emission, and ensures user safety and technician safety.
Laser Optics Housing Unit
1. Rear cover ( p.25)
2.
Controller box cover (
p.76 "Controller Board")
4. Replacement and Adjustment
32
4

Table of Contents

Related product manuals