EasyManua.ls Logo

RIDGID 300 Compact - Page 20

RIDGID 300 Compact
67 pages
Print Icon
To Next Page IconTo Next Page
To Next Page IconTo Next Page
To Previous Page IconTo Previous Page
To Previous Page IconTo Previous Page
Loading...
300 Compact Pipe and Bolt Threading Machine
Ridge Tool Company
18
Neutral
Earth
Blue
Brown
Yel-Green
Foot Switch
Blue
Brown
Yel-Green
Blue
White
Red
Yellow
Yel-Green
Black
Black
Suppressor
115V 25-60 Hz
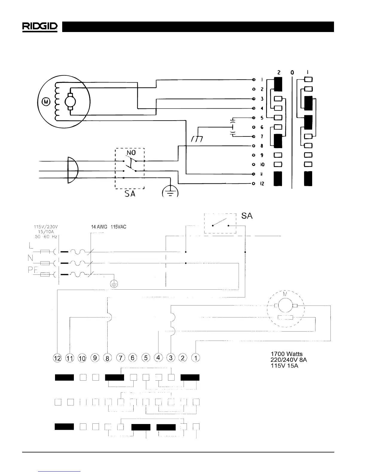
Wiring Diagrams continued
115V Domestic
Blue
White
Red
Yellow
Black
Green/Yellow
White
White
White
Machine Housing
Black
Black
REV.
FOR.
OFF

Table of Contents

Other manuals for RIDGID 300 Compact

Related product manuals