EasyManua.ls Logo

RIDGID 300 Compact - Schémas Électriques

RIDGID 300 Compact
67 pages
Print Icon
To Next Page IconTo Next Page
To Next Page IconTo Next Page
To Previous Page IconTo Previous Page
To Previous Page IconTo Previous Page
Loading...
Machine à fileter pour tuyaux et boulons modèle 300 Compact
Ridge Tool Company 39
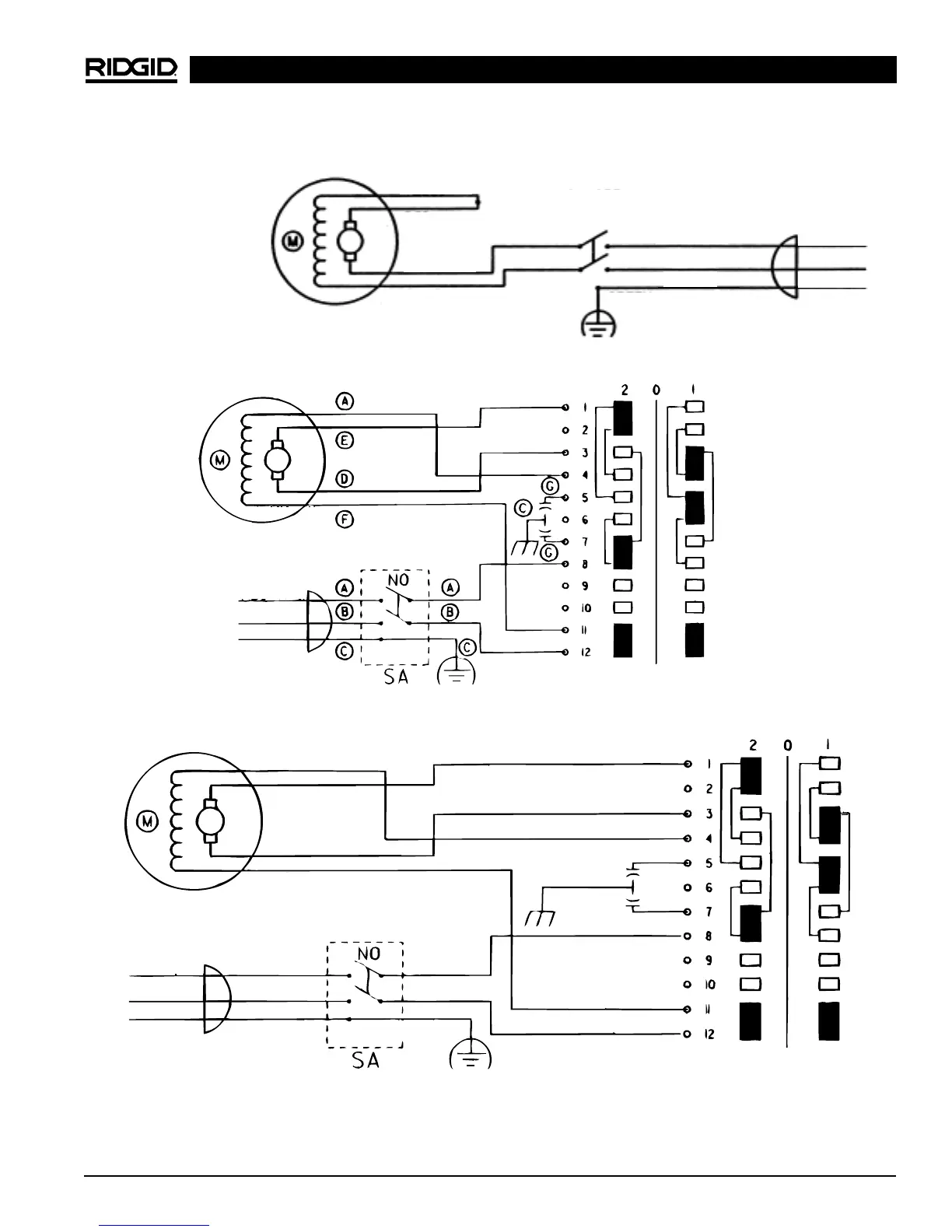
Schémas électriques
Neutre
Terre
Pédale de commande
Antiparasite
230V/25-60Hz
Neutre
Terre
Bleu
Blanc
Rouge
Jaune
Vert
Noir
Blanc
115/230V
(Extrême Orient)
Vert
Neutre
Terre
Bleu
Marron
Jaune/Vert
Pédale de commande
Bleu
Marron
Jaune/Vert
Bleu
Blanc
Rouge
Jaune
Jaune/Vert
Noir
Noir
Antiparasite
115V/25-60Hz
Interrupteur
Marche/Arrêt

Table of Contents

Other manuals for RIDGID 300 Compact

Related product manuals