EasyManua.ls Logo

RIDGID 300 Compact - Diagramas de Cableado

RIDGID 300 Compact
67 pages
Print Icon
To Next Page IconTo Next Page
To Next Page IconTo Next Page
To Previous Page IconTo Previous Page
To Previous Page IconTo Previous Page
Loading...
Máquina Roscadora para tubos y pernos Compacta 300
Ridge Tool Company 61
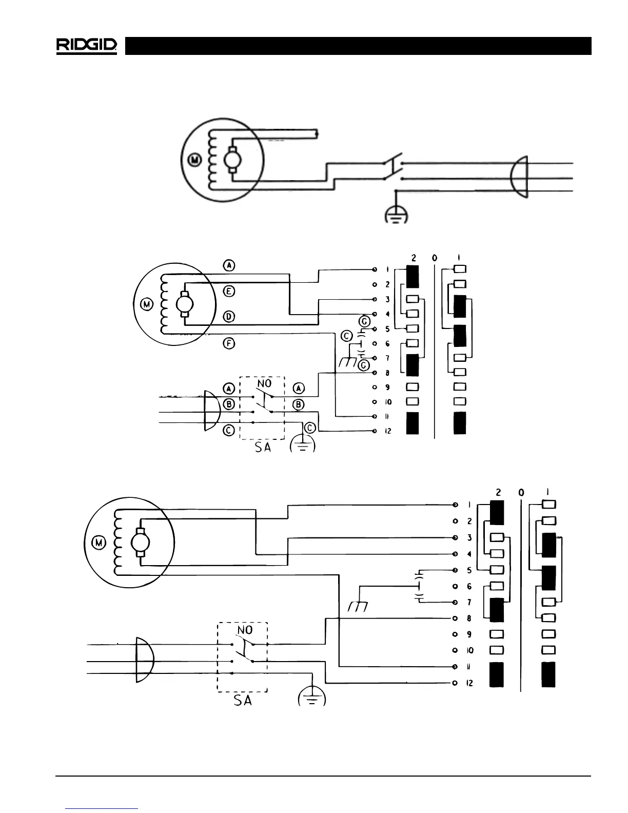
Diagramas de cableado
neutro
tierra
interruptor de pie
resistencia
230v 25-60 Hz
neutro
a tierra
azul
blanco
rojo
amarillo
verde
negro
blanco
115/230v
Lejano Oriente
verde
neutro
tierra
azul
café
amarillo/verde
interruptor de pie
azul
café
amarillo/verde
azul
blanco
rojo
amarillo
amarillo/verde
negro
negro
resistencia
115v 25-60 Hz
Conmutador de
ON/OFF
(apagado/encendido)

Table of Contents

Other manuals for RIDGID 300 Compact

Related product manuals