EasyManua.ls Logo

Riello 40 G3 - Installations Hydrauliques

Riello 40 G3
Print Icon
To Next Page IconTo Next Page
To Next Page IconTo Next Page
To Previous Page IconTo Previous Page
To Previous Page IconTo Previous Page
Loading...
2664
4
F
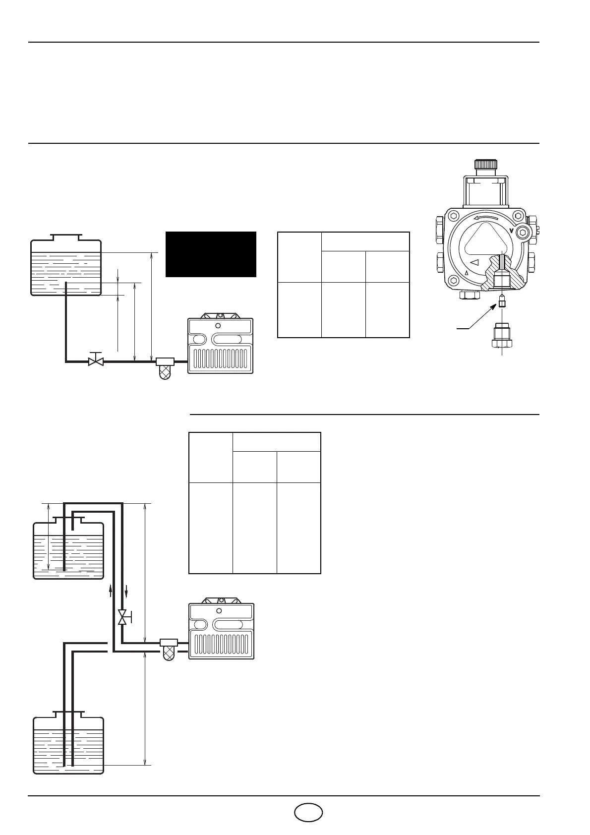
INSTALLATIONS HYDRAULIQUES
ATTENTION:
Il est nécessaire d’installer un filtre sur la ligne d’alimentation du combustible.
Vérifier, avant de mettre en marche le brûleur, que le tube de retour ne soit pas obstrué.
Une obturation éventuelle endommagerait l’organe d’étanchéité de la pompe.
La dépression maximale ne doit pas être
supérieure à 0,4 bar (30 cm Hg).
Au-dessus de cette valeur on a libération
de gaz du combustible.
La tuyauterie d’alimentation fuel doit
être parfaitement étanche.
Il est conseillé de faire arriver l’aspi-
ration et le retour à la même hauteur
dans la citerne. Dans ce cas-là le cla-
pet de pied n’est pas nécessaire.
Si, au contraire, la tuyauterie de retour
arrive au-dessus du niveau du combus-
tible, le clapet de pied est indispensable.
Cette solution est moins sure que la pré-
cédente, à cause d’un éventuel défaut
d’étanchéité de la vanne.
AMORÇAGE POMPE
Faire démarrer le brûleur et attendre
l’amorçage. En cas de mise en sécurité
avant l’arrivée du combustible, attendre
au moins 20 secondes, après quoi répé-
ter l’opération.
H
mètres
L mètres
ø i
8 mm
ø i
10 mm
0,5
1
1,5
2
10
20
40
60
20
40
80
100
Important
La pompe est prévue pour un fonctionnement en bitube.
Pour le fonctionnement en mono-tube, enlever la vis de by-pass (A),
(voir figure ci-contre).
H
mètres
L mètres
ø i
8 mm
ø i
10 mm
0
0,5
1
1,5
2
3
3,5
35
30
25
20
15
8
6
100
100
100
90
70
30
20
AMORÇAGE POMPE
Desserrer le bouchon du raccord vacuomètre
(5, Fig. 1, page 1) et attendre la sortie du fuel.
H = dénivellation.
L = max. longueur de la
tuyauterie d’aspiration.
ø i = diamètre intérieur de la
tuyauterie.
H max. 4 m
H
H
max. 4 m
min. 0.1 m
D5219
D5220
INSTALLATION
EN ALLEMAGNE
NON AUTORISEE
A
D5199

Related product manuals