EasyManua.ls Logo

Riello 40 G3 - Innesco Pompa

Riello 40 G3
Print Icon
To Next Page IconTo Next Page
To Next Page IconTo Next Page
To Previous Page IconTo Previous Page
To Previous Page IconTo Previous Page
Loading...
2664
4
I
IMPIANTI IDRAULICI
ATTENZIONE:
È necessario installare un filtro sulla linea di alimentazione del combustibile.
Accertarsi, prima di mettere in funzionamento il bruciatore, che il tubo di ritorno non abbia occlu-
sioni. Un eventuale impedimento provocherebbe la rottura dell’organo di tenuta della pompa.
Non si deve superare la depressione
max. di 0,4 bar (30 cm Hg). Oltre tale
valore si ha liberazione di gas dal
combustibile.
Si raccomanda che le tubazioni sia-
no a perfetta tenuta.
Negli impianti in depressione si
consiglia di far arrivare la tubazione
di ritorno alla stessa altezza della
tubazione di aspirazione. In questo
caso non è necessaria la valvola di
fondo.
Se invece la tubazione di ritorno arriva
sopra il livello del combustibile la val-
vola di fondo è indispensabile.
Questa soluzione è meno sicura della
precedente per la possibile mancanza
di tenuta della valvola.
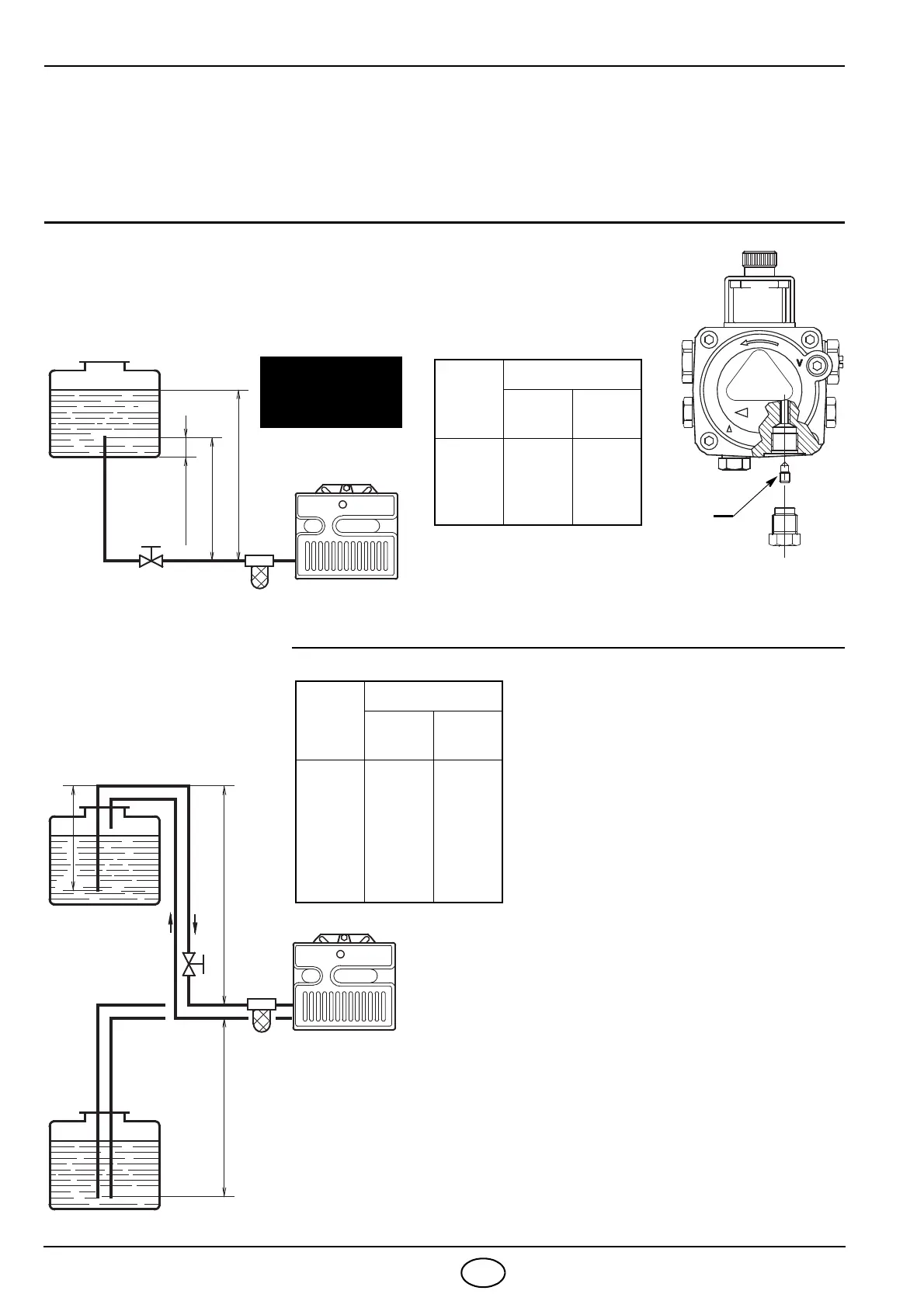
INNESCO POMPA
Avviare il bruciatore ed attendere l’in-
nesco. Se avviene il blocco prima
dell’arrivo del combustibile, attendere
20 secondi almeno, poi ripetere l’ope-
razione.
H
metri
L metri
ø i
8 mm
ø i
10 mm
0,5
1
1,5
2
10
20
40
60
20
40
80
100
Importante
La pompa è predisposta per funzionamento bitubo.
Per il funzionamento monotubo è necessario togliere la vite di by-pass
(A). (Vedi figura a lato).
A
H
metri
L metri
ø i
8 mm
ø i
10 mm
0
0,5
1
1,5
2
3
3,5
35
30
25
20
15
8
6
100
100
100
90
70
30
20
D5199
H = dislivello.
L = max. lunghezza del
tubo di aspirazione.
ø i = diametro interno del
tubo.
H max. 4 m
H
D5220
IMPIANTO
IN GERMANIA
NON AMMESSO
H
max. 4 m
min. 0.1 m
D5219
INNESCO POMPA
Allentare l’attacco del vacuometro (5, Fig. 1, Pag. 1)
ed attendere la fuoriuscita del combustibile.

Related product manuals