EasyManua.ls Logo

Riello 40 G3 - Hydraulic Systems; Priming the Pump

Riello 40 G3
Print Icon
To Next Page IconTo Next Page
To Next Page IconTo Next Page
To Previous Page IconTo Previous Page
To Previous Page IconTo Previous Page
Loading...
2664
4
GB
HYDRAULIC SYSTEMS
WARNING:
A filter must be installed on the suction fuel line.
Before starting the burner make sure that the return pipe-line is not clogged: any obstruction
would cause the pump seals to break.
The pump vacuum should not exceed a
maximum of 0.4 bar (30 cm Hg).
Beyond this limit gas is released from
the oil.
Oil lines must be completely airtight.
The return line should terminate in
the oil tank at the same level as the
suction line; in this case a non-return
valve is not required.
When the return line arrives over the
fuel level, a non-return valve must be
used.
This solution however is less safe than
previous one, due to the possibility of
leakage of the valve.
PRIMING THE PUMP
Start the burner and wait for the priming.
Should lock-out occur prior to the arrival
of the fuel, await at least 20 seconds
before repeating the operation.
H
meters
L meters
I. D.
8 mm
I.D.
10 mm
0.5
1
1.5
2
10
20
40
60
20
40
80
100
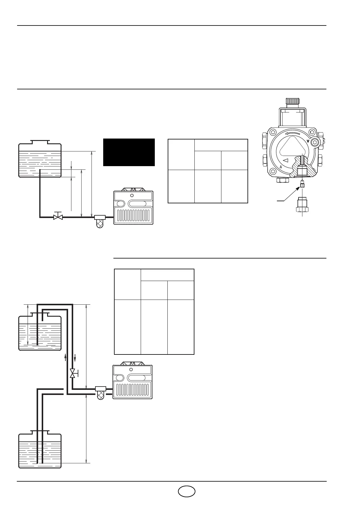
Warning
The pump is supplied for use with a two pipe system.
For use on a one pipe system, it is necessary to remove the by-pass
screw (A), (see figure).
H
meters
L meters
I. D.
8 mm
I.D.
10 mm
0
0.5
1
1.5
2
3
3.5
35
30
25
20
15
8
6
100
100
100
90
70
30
20
Hmax. 4 m
H
H
max. 4 m
min. 0.1 m
D5219
D5220
H = Difference of level.
L =Max. length of the
suction line.
I.D.= Internal diameter of the
oil pipes.
PRIMING THE PUMP
Loosen the plug of the vacuum gauge (5, Fig. 1,
page 1) and wait until the fuel flows out.
A
D5199
SYSTEM NOT
IN GERMANY
PERMITTED

Related product manuals