EasyManua.ls Logo

Riello BS2F-GPL - Page 50

Riello BS2F-GPL
Print Icon
To Next Page IconTo Next Page
To Next Page IconTo Next Page
To Previous Page IconTo Previous Page
To Previous Page IconTo Previous Page
Loading...
20098824
10
GB
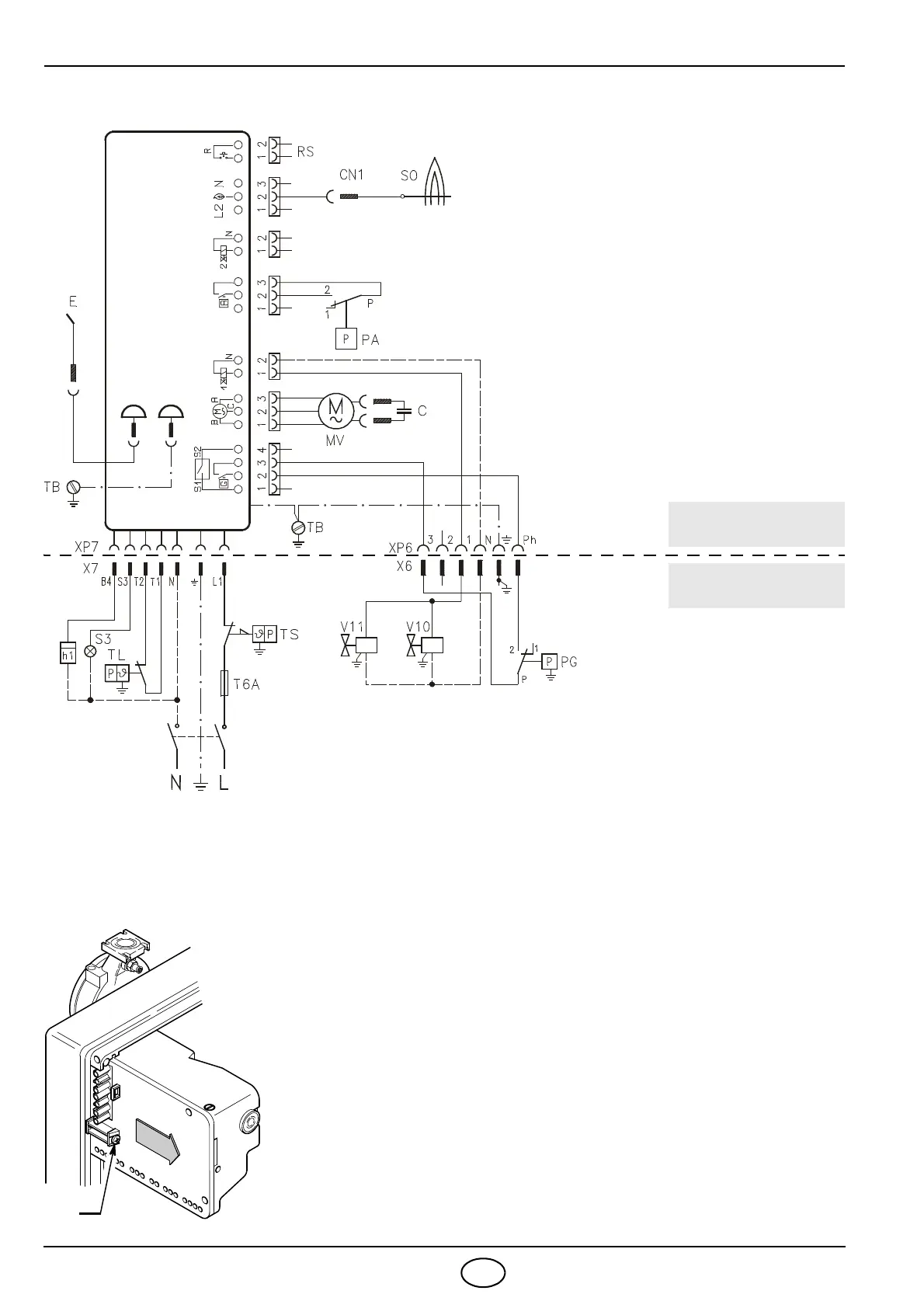
3.6 ELECTRICAL WIRING
Main switch
220/230V ~ 50/60Hz
D4626
ATTENTION:
Do not swap neutral and phase over, follow the diagram shown care-
fully and carry out a good earth connection.
The section of the conductors must be at least 1mm². (Unless requested
otherwise by local standards and legislation).
The electrical wiring carried out by the installer must be in compliance
with the rules in force in the country.
TESTING
Check the burner has stopped by opening the thermostats.
Check that the burner is blocked while is working by opening the connector
(CN1) inserted in the probe red wire and located outside the control box.
CONTROL BOX, (see fig. 7)
To remove the control box from the burner it is necessary to:
disconnect all the connectors, the 7-pin plug, the high voltage cables and the
earth wire (TB);
unscrew the bolt (A) and pull the control box in the direction of the arrow.
To install the control box it is necessary to:
screw the bolt (A) in at a torque of 1 - 1.2 Nm;
reconnect all the connectors previously disconnected.
NOTES
The burners have been type-approved for intermittent operation. This means they
must stop at least once every 24 hours in order to allow the electrical control box
to check its efficiency on start-up. The boiler limit thermostat (TL) normally en-
sures the burner halts. If this does not happen a time switch halting the burner at
least once every 24 hours must be applied in series to limit thermostat (TL).
KEY TO LAY-OUT
C Capacitor
CN1 Ionisation probe connector
E –Electrode
h1 Hour counter
MV Motor
PA Min. air pressure switch
PG Min. gas pressure svitch
RS Remote reset
SO Ionisation probe
S3 Lock-out signal (230V - 0.5A max.)
T6A –Fuse
TB Burner-earth
TL Limit thermostat
TS Safety thermostat
V10 Safety valve
V11 Adjustment valve
X.. –Plug
XP.. Socket
MG569
CONTROL BOX
TO BE DONE BY
THE INSTALLER
CARRIED-OUT
IN THE FACTORY
A
Fig. 7
E9250

Table of Contents

Related product manuals