EasyManua.ls Logo

Riello RS BLU - Impianto Elettrico

Riello RS BLU
44 pages
Print Icon
To Next Page IconTo Next Page
To Next Page IconTo Next Page
To Previous Page IconTo Previous Page
To Previous Page IconTo Previous Page
Loading...
20
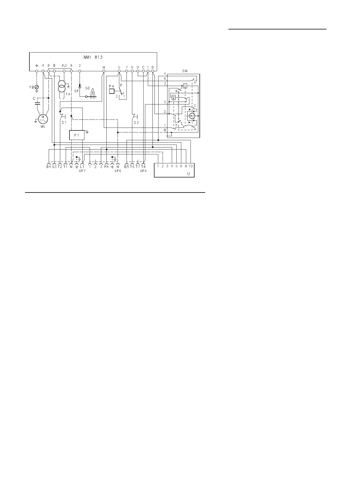
IMPIANTO ELETTRICO
eseguito in fabbrica
Legenda schema (A)
C - Condensatore
F1 - Filtro contro radiodisturbi
MMI 813 - Apparecchiatura elettrica
I1 - Interruttore: bruciatore acceso-spento
I2 - Interruttore: 1° - 2° stadio
MV - Motore ventilatore
PA - Pressostato aria
SM - Servomotore
SO - Sonda di ionizzazione
SP - Spina-presa
TA - Trasformatore d'accensione
TB - Terra bruciatore
XP4 - Presa a 4 poli
XP6 - Presa a 6 poli
XP7 - Presa a 7 poli
U - STATUS
(A)
IMPIANTO ELETTRICO ESEGUITO IN FABBRICA
WERKSEITIG AUSGEF†HRTE ELEKTROANLAGE
ELECTRICAL EQUIPMENT FACTORY-SET
INSTALLATION ELECTRIQUE REALISEE EN USINE

Table of Contents

Related product manuals