EasyManua.ls Logo

Riello SENTINEL PRO - Ups Views; Front View; Ear View

Riello SENTINEL PRO
26 pages
Print Icon
To Next Page IconTo Next Page
To Next Page IconTo Next Page
To Previous Page IconTo Previous Page
To Previous Page IconTo Previous Page
Loading...
6
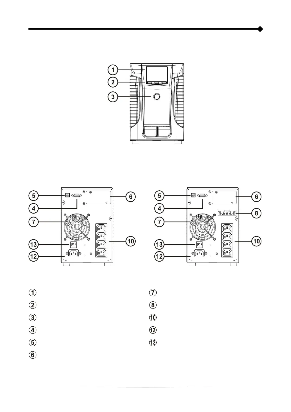
UPS VIEWS
FRONT VIEW
REAR VIEW
700VA / 1500VA model
1000VA / 1000VA ER model
Display
Cooling fans
Multipurpose buttons
Battery expansion connector
ON/OFF switch
IEC 10A output socket
RS232 communication port and contacts
IEC 10A input plug
USB communication port
Circuit breaker
Slot for communication cards

Related product manuals