EasyManua.ls Logo

RMF Systems CMS 2 - Page 67

Default Icon
84 pages
Print Icon
To Next Page IconTo Next Page
To Next Page IconTo Next Page
To Previous Page IconTo Previous Page
To Previous Page IconTo Previous Page
Loading...
66
As a policy of continual improvement, RMF reserves the right to alter the specification without prior notice.
201.028 REV 1 Date of Issue: 18 June 2018
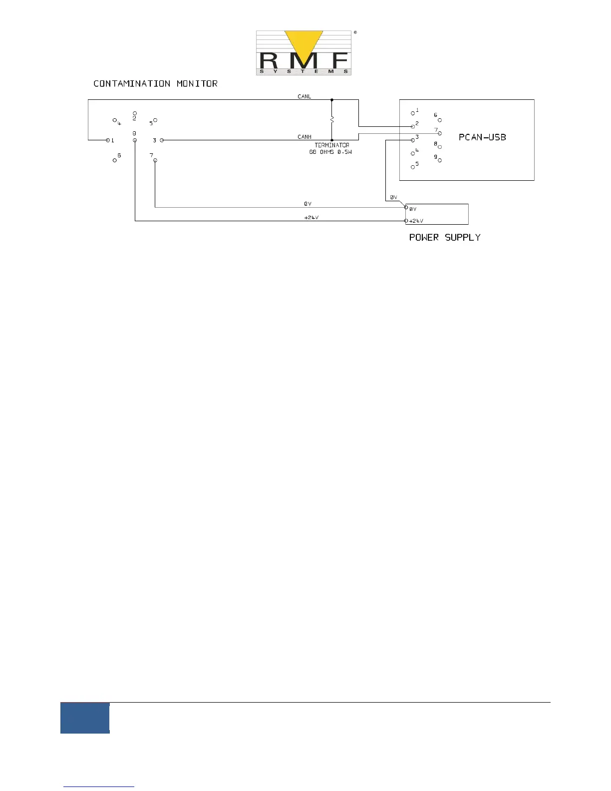
Figure 11.2 Connecting the CMS to the PCAN-USB Adaptor
The ``TERMINATOR’’ resistor shown simulates the combined effect of the bus termination resistors normally used
on either end of a CAN-bus network. Its value is not critical; anything from 50-150 ohms will work.
11.2.1.2 Initial Configuration
Initially we connect using the CMS-USBi interface so that the CMS can be comfortably configured using
RMF-View. Detailed information is provided earlier in the user guides but the general procedure is:
Install RMF-View
Plug in the CMS-USBi
The ``Hardware Found’’ wizard will appear. If you have an Internet connection you can let Windows
Update install the driver, otherwise point the wizard to the drivers provided.
Plug the CMS into the CMS-USBi
Start RMF-View
Select Tools/Remote Control to connect to the CMS.

Table of Contents