EasyManua.ls Logo

Rockwell Automation 2198-C4030-ERS

Rockwell Automation 2198-C4030-ERS
246 pages
To Next Page IconTo Next Page
To Next Page IconTo Next Page
To Previous Page IconTo Previous Page
To Previous Page IconTo Previous Page
Loading...
176 Rockwell Automation Publication 2198-UM005C-EN-P - February 2022
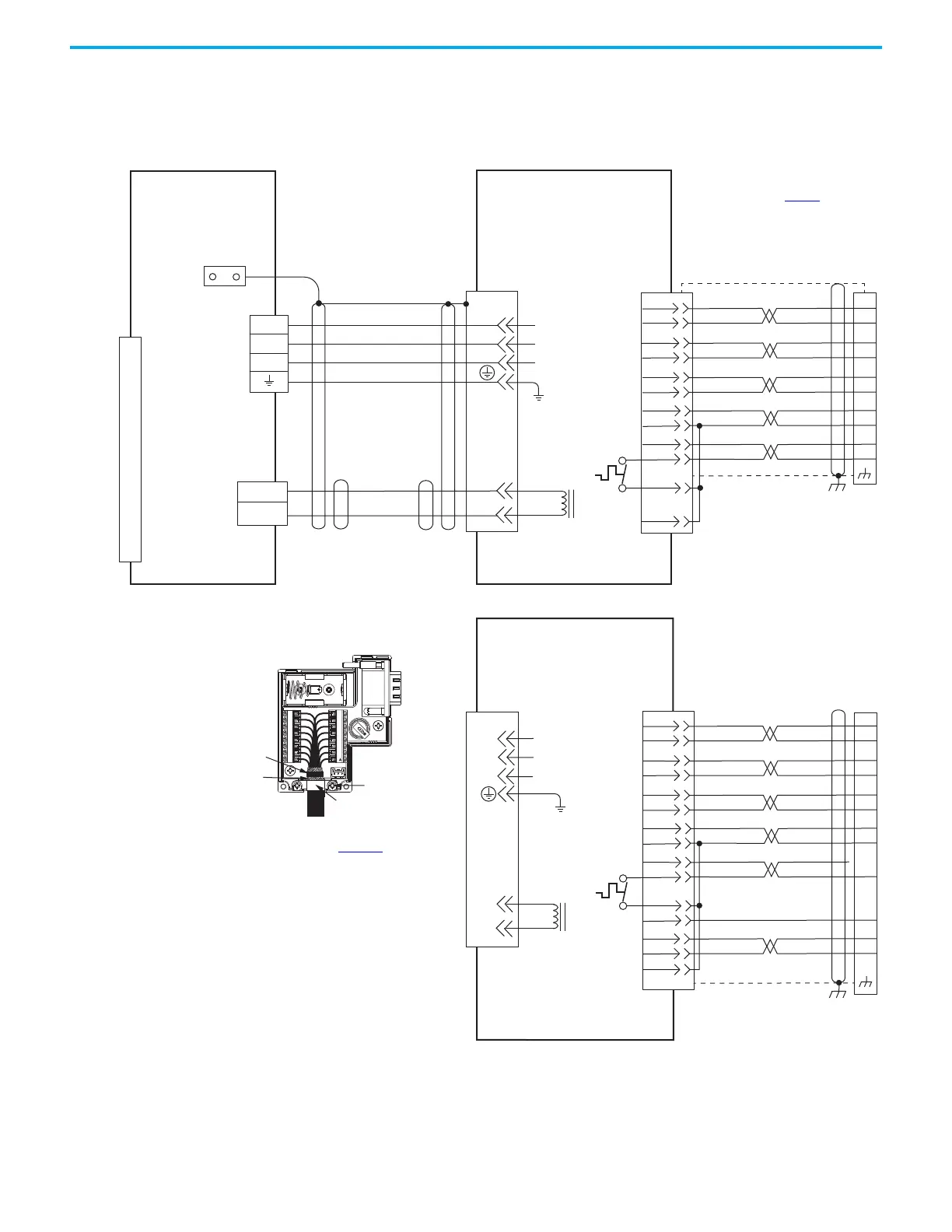
Appendix A Interconnect Diagrams
These compatible Kinetix MP rotary motors have separate connectors and
cables for power/brake and feedback connections. Incremental encoders
include S1, S2, and S3 (Hall) signals, so feedback cables with additional
conductors are specified.
Figure 85 - Kinetix 5300 with Kinetix MP Rotary Servo Motors
C/W
B/V
A/U
MBRK+
MBRK-
F/+
G/–
U
V
W
SIN+
SIN-
COS+
COS-
DATA+
DATA-
+5VDC
ECOM
GREEN
WHT/GREEN
GRAY
WHT/GRAY
BLACK
WHT/BLACK
RED
WHT/RED
3
4
5
6
1
2
9
10
1
2
3
4
5
10
14
6
14
12
+9VDC
TS
ORANGE
WHT/ORANGE
11
13
7
11
GND
D
U
V
W
1
2
MBRK +
MBRK -
Brown
Black
Blue
Green/Yellow
White
Black
Shield
COM
1
2
3
4
5
6
7
8
9
10
11
12
13
14
15
8
7
6
5
4
3
2
1
10
11
12
13
14
+
--
AM+
AM-
BM+
BM-
IM+
IM-
+5VDC
ECOM
1
2
3
4
5
10
14
6
12
S1
TS
11
S2
S3
COM
13
8
3
4
5
6
1
2
14
15
16
17
12
11
13
9
10
C
B
A
F
G
U
V
W
GREEN
WHT/GREEN
GRAY
WHT/GRAY
BLACK
WHT/BLACK
RED
WHT/RED
ORANGE
WHT/ORANGE
YELLOW
WHT/YELLOW
WHT/BLUE
MBRK+
MBRK-
GND
D
Motor Brake
Motor Brake
Connector
Motor Power
Connector
MPL-A15xx…MPL-A5xx,
MPL-B15xx…MPL-B6xx,
MPM-A/Bxxx, MPF-A/Bxxx, and
MPS-A/Bxxx Servo Motors with
High-resolution Feedback
Motor Feedback
(MFB) Connector
Three-phase
Motor Power
Motor
Feedback
Thermostat
Grounding Technique for
Feedback Cable Shield
Refer to table on page 169
for
note information.
2090-CFBM7DF-CEAAxx (standard) or
2090-CFBM7DF-CEAFxx (continuous-flex)
(flying-lead) Feedback Cable
Notes 8, 9, 10
2090-CPxM7DF-xxAAxx
(standard) or
2090-CPxM7DF-xxAFxx
(continuous-flex)
Motor Power Cable
Note 8
Cable Shield
Clamp
Note 5
2198-Cxxxx-ERS
Kinetix 5300 Servo Drives
2198-K53CK-D15M Feedback
Connector Kit
Use the 2198-K53CK-D15M
feedback connector kit
with flying-lead cables.
Refer to Kinetix 5300 Feedback Connector Kit
Installation Instructions, publication 2198-IN023
, for
connector kit specifications.
MPL-A/B15xx…MPL-A/B45xx
Servo Motors with
Incremental Feedback
See connector kit
illustration (below)
for proper ground technique.
2090-XXNFMF-Sxx (standard) or
2090-CFBM7DF-CDAFxx (continuous-flex)
(flying-lead) Feedback Cable
Notes 8
Motor Brake
Three-phase
Motor Power
Motor
Feedback
Thermostat
2198-K53CK-D15M Feedback
Connector Kit
360° exposed shield that
is secured under clamp.
Clamp Screws (2)
Clamp
Tie Wrap
2090-CFBM7DD-CEAxxx
(drive-end connector) feedback cables
are also available.

Table of Contents

Other manuals for Rockwell Automation 2198-C4030-ERS

Related product manuals