EasyManua.ls Logo

Rockwell Automation Allen-Bradley PowerFlex 750 Series

Rockwell Automation Allen-Bradley PowerFlex 750 Series
128 pages
To Next Page IconTo Next Page
To Next Page IconTo Next Page
To Previous Page IconTo Previous Page
To Previous Page IconTo Previous Page
Loading...
68 Rockwell Automation Publication 750-RM100A-EN-P - August 2019
Chapter 9 Reference Motion Planners
Some applications that benefit from the resulting smooth motion are listed:
•Liquid slosh control
Crane and hoist anti-sway control
Cantilevered load vibration suppression
Robot end effector oscillation
•Material and web handling
Unidirectional anti-backup applications
Repetitive motion profiles
Belt and chain driving applications
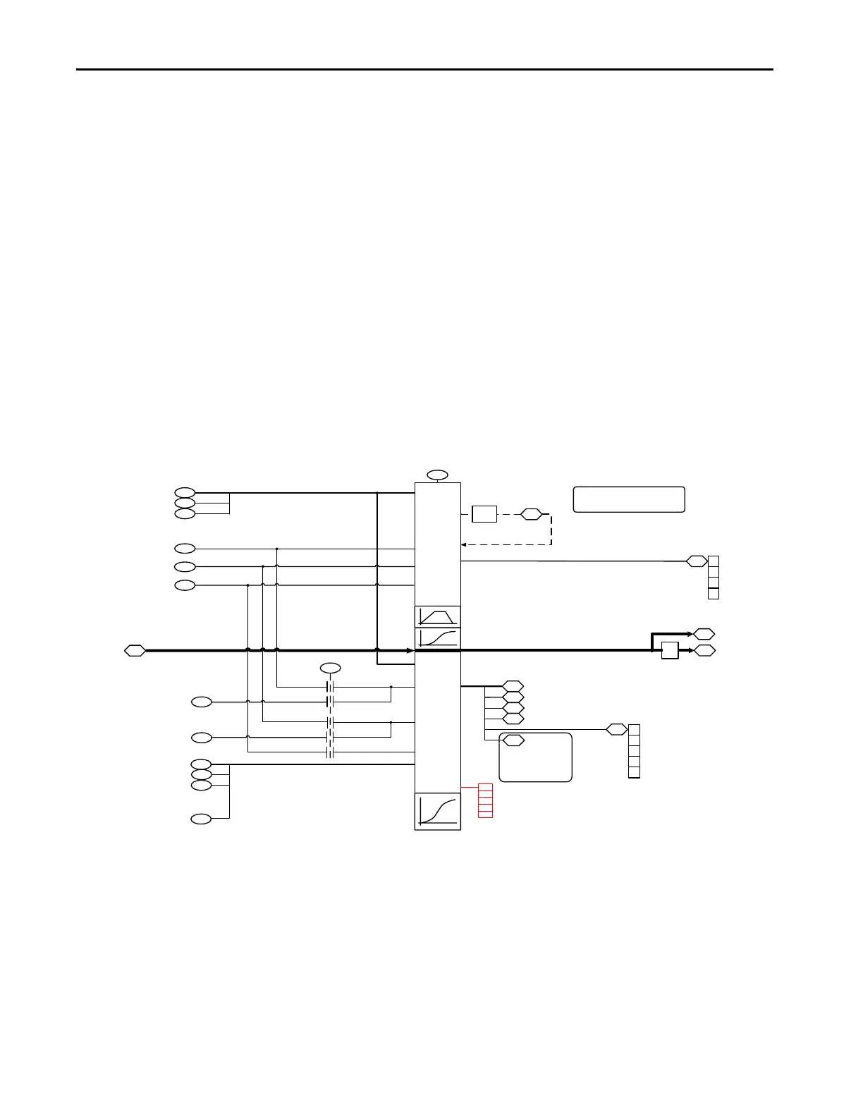
Position Reference Motion
Planner
This section describes how to use the Point-To-Point (PTP) Position Reference
Motion Planner. Instructions are given on how to configure each of the new
features in the order they are listed in the first section. A block diagram of the
PTP Planner is given, showing relevant parameters.
Figure 17 - PTP Planner Block Diagram
PTP S Curve
PTP Accel Time
LinScurve (0)
1403
PTP Decel Time
1398
1399
P
Ref 1 [E2]
PRef 1 [G2]
SineSquared (1)
Poly5
(2)
Cubic (3)
0 = Rate
0 = Rate
0 = Rate
933
Ref Time Base
934
Ref Accel Time
1 = Time
935
Ref Decel Time
1 = Time
932
RefEnergyBalance
936
Ref Max Accel
937
Ref Max Decel
941
Ref Fault Config
Ref Move Type
931
1406
PTP Vel Max
1407
1408
1409
1410
1411
PTP Accel Max
PTP Decel Max
PTP Move Time
PTP Move Status
PTP Move Seg
0- Accel Decel
1- Dwell Decel
2- Decel
3- Reversing
24
PTP VelMax Time
25
PTP AccMaxTime
26
PTP DecMaxTime
27
PTP Time Left
0
AccelLimited
DecelLimited
1
2
Vel Limited
Zero Move
3
4
Move Failed
1391
PTP
Command
1404
1405
PTP VRef Fwd
PTP Reference
¦
1392
Max Speed Fwd
1393
Max Speed Rev
1402
PTP Vel Override
1396
Virtual
Encoder
PTP Feedback
0
PTP PRef Status
1
ZeroFFSpdRef
PTP Int Hold
2
SpdFFRef En
3
Ref Complete
1380
PTP Reference [1404], PTP Feedback
[1396], PTP Command [1391] are
loaded with Position Actual [1745].
Point to Point parameter initializations
performed with Position Regulator
INACTIVE
These parameters apply to all Move Type
s
28
PTP Iterations

Other manuals for Rockwell Automation Allen-Bradley PowerFlex 750 Series

Related product manuals