EasyManua.ls Logo

Rotex RVLQ05+08CA - Piping Diagram: Indoor Unit

Rotex RVLQ05+08CA
122 pages
Print Icon
To Next Page IconTo Next Page
To Next Page IconTo Next Page
To Previous Page IconTo Previous Page
To Previous Page IconTo Previous Page
Loading...
16 Technical data
Installer reference guide
95
RVLQ05+08CAV4 + RHYHBH05AA + RHYHBH/X08AA +
RHYKOMB33AA
ROTEX HPU hybrid
4P355635-1 – 2013.05
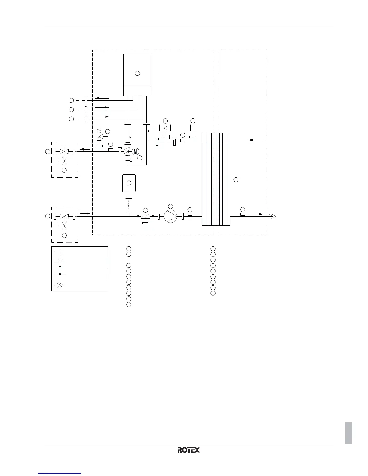
16.3.2 Piping diagram: Indoor unit
WATER SIDE REFRIGERANT SIDE
SPACE HEATING / WATER IN
SPACE HEATING / WATER OUT
SHUT OFF VALVE WITH DRAIN/FILL VALVE
(FIELD INSTALLATION)
EXPANSION VESSEL
FILTER
PUMP
PLATE HEAT EXCHANGER
AIR PURGE
FLOW SENSOR
3-WAY VALVE
SAFETY VALVE
BOILER
DOMESTIC HOT WATER OUT
GAS CONNECTION
DOMESTIC HOT WATER IN
R1T-WATER OUT PHE
R2T-WATER OUT
R3T-LIQUID
R4T-WATER IN
1
2
3
3
SCREW CONNECTION
QUICK CONNECTION
BRAZED CONNECTION
FLARE CONNECTION
1
2
3
4
4
5
5
6
6
7
7
8
8
9
9
10
10
11
11
12
12
13
13
14
14
15
15
16
16
17
17
18
18
19
19
3D082238-1

Table of Contents

Related product manuals